拖动LOGO至书签栏,立即收藏凡人文库
首页
文档
国外标准
国际标准
美国标准
欧洲标准
日本标准
德国标准
澳洲标准
俄国标准
其他标准
国内标准
GB国家标准
行业标准
地方标准
团体标准
职业标准
专业资料
期刊杂志
行业报告
文献论文
技术手册
英文书籍
办公教育
教育文档
总结报告
工作范文
心得体会
PPT模板
翻译文档
翻译标准
翻译资料
文章
公告
咨询
问答
专题
标准专题
电脑桌面
添加凡人文库到电脑桌面
安装后可以在桌面快捷访问
立即添加
上传文档
开通会员
限时优惠
充值
登录 | 注册
首页
文档
Tag聚合标签
“号旗”的相关文档
标签
“号旗”
的相关文档,共1条
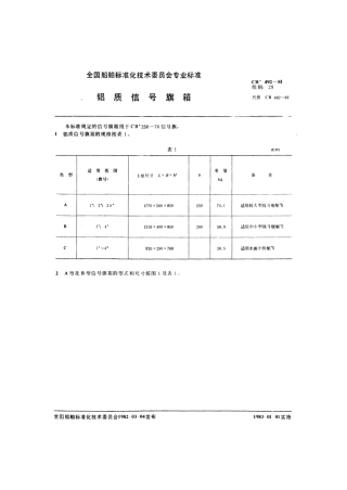
CB 492-2012 信
号旗
箱.pdf
VIP
学兔兔 www. bzfxw. com学兔兔 www. bzfxw. com学兔兔 www. bzfxw. com学兔兔 www. bzfxw. com学兔兔 www. bzfxw. com
2025-11-30发布
0 浏览
8 页
0 次下载
232.95 KB
首页
上页
1
下页
尾页
文档阅读TOP10
日
周
1
BS EN 61709-2017.pdf
114
128页
2
AS 5369-2023.pdf
4
144页
3
ASTM D4060 - 19.pdf
88
6页
4
DBJ46-40-2016 海南省美丽乡村建设标准.pdf
110
40页
5
GB∕T 37475-2019 内河水面清扫船尺度系列和作业设备.pdf
3
33页
6
ASTM A182-21.pdf
82
17页
7
CNAS-RL01 2023.pdf
78
22页
8
A234A234M-17.pdf
116
9页
9
AS NZS 4645.2-2018.pdf
177
77页
10
AS NZS 3000-2018 (2024).pdf
177
612页
1
BS EN 61709-2017.pdf
114
128页
2
ASTM A751-2025中文版.pdf
16
12页
3
ASTM E186-2020中文版.pdf
85
9页
4
BS EN ISO 1127-1997.pdf
92
14页
5
AS 5369-2023.pdf
4
144页
6
CNAS-RL01 2023.pdf
78
22页
7
ASTM D4060 - 19.pdf
88
6页
8
SAE AMS 5536R-2024.pdf
168
6页
9
DBJ46-40-2016 海南省美丽乡村建设标准.pdf
110
40页
10
SAE AMS 5536N-2012.pdf
5
6页
确认删除?
回到顶部