电脑桌面
添加凡人文库到电脑桌面
安装后可以在桌面快捷访问
标签“圆门”的相关文档,共2条
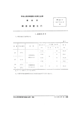
  • CB 543-1977 耐压水密圆门.pdf

    CB 543-1977 耐压水密圆门.pdfVIP

    标准分享网 www. bzfxw. com 免费下载标准分享网 www. bzfxw. com 免费下载

    2026-01-27发布0 浏览4 页0 次下载218.05 KB
  • CB 543-2011 耐压水密圆门规范.pdf

    CB 543-2011 耐压水密圆门规范.pdfVIP

    学兔兔 www. bzfxw. com学兔兔 www. bzfxw. com学兔兔 www. bzfxw. com学兔兔 www. bzfxw. com学兔兔 www. bzfxw. com学兔兔 www. bzfxw. com学兔兔 www. bzfxw. com

    2025-11-30发布0 浏览10 页0 次下载1.21 MB
确认删除?
回到顶部