电脑桌面
添加凡人文库到电脑桌面
安装后可以在桌面快捷访问
标签“AS5449A-2020.pdf”的相关文档,共1条
  • SAE AS5449A-2020.pdf

    SAE AS5449A-2020.pdfVIP

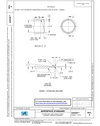
    A ER OSPA CE STA NDA R D FITTING END, WELD RING, SHORT TAPERED, DESIGN STANDA RD A S5449™ Copyright © 2020...

    2025-12-05发布1 浏览4 页0 次下载197.38 KB
确认删除?
回到顶部