【电子行业军用标准】SJ 2224-1982 小型系列组合夹具结构要素.pdf.pdf
【电子行业军用标准】SJ 2223-1982 中型系列组合夹具结构要素.pdf.pdf
【电子行业军用标准】SJ 2232-1982 厚膜、薄膜集成电路金属外壳技术条件.pdf.pdf
【电子行业军用标准】SJ 2225-1982 中型系列组合夹具类型和规格尺寸.pdf.pdf
【电子行业军用标准】SJ 2226-1982 小型系列组合夹具类型和规格尺寸.pdf.pdf
【电子行业军用标准】SJ 2240-1982 空气介质片型微调电容器总技术条件.pdf.pdf
【电子行业军用标准】SJ 2241-1982 同心型微调电容器总技术条件.pdf.pdf
【电子行业军用标准】SJ 2242-1982 散热器强制风冷热阻测试方法.pdf.pdf
【电子行业军用标准】SJ 2261-1982 电子设备车辆汽车底盘吨位与尺寸系列.pdf.pdf
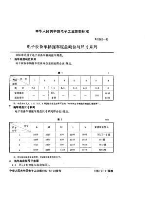
【电子行业军用标准】SJ 2262-1982 电子设备车辆拖车底盘吨位与尺寸系列.pdf.pdf
【电子行业军用标准】SJ 20077-1992 热设计指南.pdf
【电子行业军用标准】SJZ 9072.2-1987 磁性氧化物制成的交叉形磁芯(X-磁芯)及其附件的尺寸.pdf
【电子行业军用标准】SJZ 9072.4-1987 磁性氧化物或铁粉制成的轴向引线磁芯.pdf
【电子行业军用标准】SJT 10466.5-1993 营销质量指南.pdf
【电子行业军用标准】SJT 10466.1-1993 质量体系建立导则(适用于合同环境).pdf
【电子行业军用标准】SJT 10481-1994 硅外延层电阻率的面接触三探针测试方法.pdf
【电子行业军用标准】SJT 10538-1994 冲压生产技术经济指标计算方法.pdf
【电子行业军用标准】SJT 10539-1994 密封用粘结永磁铁氧体磁体分规范.pdf
【电子行业军用标准】SJT 10541-1994 抗干扰型交流稳压电源通用技术条件.pdf
【电子行业军用标准】SJT 10544-1994 彩色显示管空白详细规范(可供认证用).pdf

