电脑桌面
添加凡人文库到电脑桌面
安装后可以在桌面快捷访问
标签“双杠”的相关文档,共2条
  • GBT 8391-1987 双杠.pdf

    GBT 8391-1987 双杠.pdfVIP

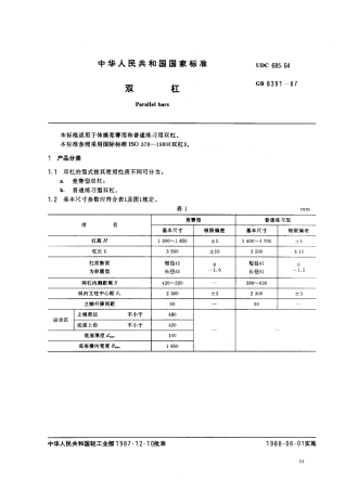
    中 华 人 民 共 和 国 国 家 标 准UDC 685. 64双杠GB 83 91 一 87P arallel ba rs本标准适用于体操竞赛用和普通练习用...

    2026-01-19发布1 浏览5 页0 次下载116.23 KB
  • GBT 8391-2007 双杠.pdf

    GBT 8391-2007 双杠.pdfVIP

    GBT 8391-2007 双杠.pdf

    2026-01-18发布1 浏览8 页0 次下载1.29 MB
确认删除?
回到顶部