拖动LOGO至书签栏,立即收藏凡人文库
首页
文档
国外标准
国际标准
美国标准
欧洲标准
日本标准
德国标准
澳洲标准
俄国标准
其他标准
国内标准
GB国家标准
行业标准
地方标准
团体标准
职业标准
专业资料
期刊杂志
行业报告
文献论文
技术手册
英文书籍
办公教育
教育文档
总结报告
工作范文
心得体会
PPT模板
翻译文档
翻译标准
翻译资料
文章
公告
咨询
问答
专题
标准专题
电脑桌面
添加凡人文库到电脑桌面
安装后可以在桌面快捷访问
立即添加
上传文档
开通会员
限时优惠
充值
登录 | 注册
首页
文档
Tag聚合标签
“用铸孔”的相关文档
标签
“用铸孔”
的相关文档,共1条
【纺织行业标准】FZT 90068-1995 装螺栓
用铸孔
尺寸.pdf
VIP
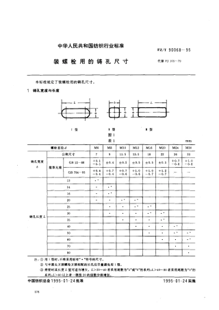
中华人民共和国纺织行业标准Fz /'r 90 06 8一 95装 螺 栓 用 的 铸 孔 尺 寸代替 Fl 105---79本标准规定了装螺栓用的铸孔尺...
2026-01-26发布
3 浏览
3 页
0 次下载
47.56 KB
首页
上页
1
下页
尾页
文档阅读TOP10
日
周
1
GB∕T 39672-2020 代森锰锌.pdf
3
24页
2
ASTM D821 - 45T scan.pdf
3
4页
3
SAE AMS 5717H-2014.pdf
3
6页
4
HGT 4236-2011 阻尼间隔棒橡胶件.pdf
3
7页
5
ASME B31.3-2024.pdf
3
594页
6
GB∕T 38371.3-2020 数字内容对象存储、复用与交换规范 第3部分:对象一致性检查方法.pdf
3
19页
7
ASTM C193 - 64 scan.pdf
147
3页
8
JIS S 1032-2016.pdf
167
27页
9
ISO 12354-1-2017.pdf
179
102页
10
JT∕T 617.1-2018 危险货物道路运输规则 第1部分:通则.pdf
193
29页
1
ASTM D8099 - D 8099M - 17 (2023).pdf
194
2页
2
ISO 10816-21-2015.pdf
208
22页
3
ASTM E45-2025中文版.pdf
45
36页
4
GBT 25000.51-2016 系统与软件工程 系统与软件质量要求和评价(SQuaRE) 第51部分:就绪可用软件产品(RUSP)的质量要求和测试细则.pdf
10
29页
5
JB∕T 11792.1-2014 中大功率燃气发动机技术条件 第1部分:天然气发动机.pdf
86
20页
6
ISO 15613-2025中文版.pdf
65
12页
7
JIS K 0512-1974 (1995) scan.pdf
65
22页
8
MSS SP-69-2002.pdf
158
20页
9
DIN_EN_ISO_21304-2__2021-04.pdf
174
29页
10
AS NZS 4777.1-2024.pdf
9
96页
确认删除?
回到顶部