拖动LOGO至书签栏,立即收藏凡人文库
首页
文档
国外标准
国际标准
美国标准
欧洲标准
日本标准
德国标准
澳洲标准
俄国标准
其他标准
国内标准
GB国家标准
行业标准
地方标准
团体标准
职业标准
专业资料
期刊杂志
行业报告
文献论文
技术手册
英文书籍
办公教育
教育文档
总结报告
工作范文
心得体会
PPT模板
翻译文档
翻译标准
翻译资料
文章
公告
咨询
问答
专题
标准专题
电脑桌面
添加凡人文库到电脑桌面
安装后可以在桌面快捷访问
立即添加
上传文档
开通会员
限时优惠
充值
登录 | 注册
首页
文档
Tag聚合标签
“纱用筒”的相关文档
标签
“纱用筒”
的相关文档,共1条
【纺织行业标准】FZT 90031-1991 卷绕
纱用筒
管型式和名称.pdf
VIP
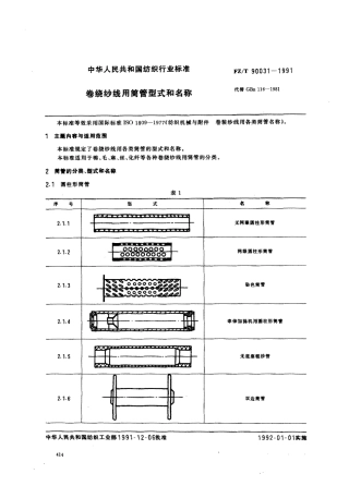
中华人民共和国纺织行业标准FZJT 90031一1991卷绕纱线用筒管型式和名称代餐 G$n 116- 1981 本标准等效采用国际标准ISO 1809- -1972(...
2026-01-26发布
0 浏览
4 页
0 次下载
104.64 KB
首页
上页
1
下页
尾页
文档阅读TOP10
日
周
1
ASTM D8099 - D 8099M - 17 (2023).pdf
152
2页
2
SAE AMS 5540R-2023.pdf
92
6页
3
SAE J1508-2023.pdf
68
72页
4
ASTM E1709 - 16 (2022).pdf
162
7页
5
DBJ46-40-2016 海南省美丽乡村建设标准.pdf
110
40页
6
【地方标准】DB3311∕T 143-2020 科技项目绩效评价规范.pdf
91
16页
7
【地方标准】DB5110∕T 12-2018 地理标志保护产品 永安白乌鱼养殖技术规程.pdf
146
11页
8
GB∕T 37475-2019 内河水面清扫船尺度系列和作业设备.pdf
3
33页
9
YY_T 1996-2025 采用脑机接口技术的医疗器械具备闭环功能的植入式神经刺激器感知与响应性能测试方法.pdf
3
15页
10
AS 3856.1-2021 amd1-2024.pdf
3
1页
1
ASTM D8099 - D 8099M - 17 (2023).pdf
152
2页
2
SAE AMS 5397E-2015.pdf
6
9页
3
MSS SP-69-2002.pdf
158
20页
4
ASTM A508 - A 508M - 23a.pdf
111
9页
5
SAE AMS 5536R-2024.pdf
168
6页
6
SAE AMS 5540R-2023.pdf
92
6页
7
SAE J1508-2023.pdf
68
72页
8
MSS SP-69-2003 withdraw notice 2014.pdf
106
1页
9
ASTM E1709 - 16 (2022).pdf
162
7页
10
DIN_EN_12390-1__2021-09.pdf
191
14页
确认删除?
回到顶部