拖动LOGO至书签栏,立即收藏凡人文库
首页
文档
国外标准
国际标准
美国标准
欧洲标准
日本标准
德国标准
澳洲标准
俄国标准
其他标准
国内标准
GB国家标准
行业标准
地方标准
团体标准
职业标准
专业资料
期刊杂志
行业报告
文献论文
技术手册
英文书籍
办公教育
教育文档
总结报告
工作范文
心得体会
PPT模板
翻译文档
翻译标准
翻译资料
文章
公告
咨询
问答
专题
标准专题
电脑桌面
添加凡人文库到电脑桌面
安装后可以在桌面快捷访问
立即添加
上传文档
开通会员
限时优惠
充值
登录 | 注册
首页
文档
Tag聚合标签
“693-1975”的相关文档
标签
“693-1975”
的相关文档,共1条
CB
693-1975
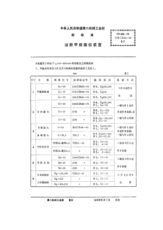
油舱甲板操纵装置.pdf
VIP
标准分享网 www. bzfxw. com 免费下载标准分享网 www. bzfxw. com 免费下载标准分享网 www. bzfxw. com 免费下载
2026-01-26发布
0 浏览
7 页
0 次下载
435.52 KB
首页
上页
1
下页
尾页
文档阅读TOP10
日
周
1
SAE J1508-2023.pdf
68
72页
2
ASME A112.19.3-2008 STAINLESS STEEL PLUMBING FIXTURES.pdf
147
38页
3
DBJ46-40-2016 海南省美丽乡村建设标准.pdf
110
40页
4
【地方标准】DB3311∕T 143-2020 科技项目绩效评价规范.pdf
91
16页
5
【地方标准】DB5110∕T 12-2018 地理标志保护产品 永安白乌鱼养殖技术规程.pdf
146
11页
6
GB∕T 37475-2019 内河水面清扫船尺度系列和作业设备.pdf
3
33页
7
YY_T 1996-2025 采用脑机接口技术的医疗器械具备闭环功能的植入式神经刺激器感知与响应性能测试方法.pdf
3
15页
8
YD∕T 3487.2-2019 互联网访问日志留存测试方法 第2部分:互联网服务提供商-无线.pdf
3
35页
9
SAE ARP 6227-2024.pdf
3
18页
10
ISO 15613-2025中文版.pdf
16
12页
1
ASTM D8099 - D 8099M - 17 (2023).pdf
155
2页
2
MSS SP-69-2002.pdf
158
20页
3
ISO 15613-2025中文版.pdf
16
12页
4
ASTM A508 - A 508M - 23a.pdf
111
9页
5
SAE AMS 5536R-2024.pdf
168
6页
6
SAE J1508-2023.pdf
68
72页
7
MSS SP-69-2003 withdraw notice 2014.pdf
106
1页
8
ASME A112.19.3-2008 STAINLESS STEEL PLUMBING FIXTURES.pdf
147
38页
9
DIN_EN_12390-1__2021-09.pdf
191
14页
10
JIS B 7507-2022.pdf
191
33页
确认删除?
回到顶部