拖动LOGO至书签栏,立即收藏凡人文库
首页
文档
国外标准
国际标准
美国标准
欧洲标准
日本标准
德国标准
澳洲标准
俄国标准
其他标准
国内标准
GB国家标准
行业标准
地方标准
团体标准
职业标准
专业资料
期刊杂志
行业报告
文献论文
技术手册
英文书籍
办公教育
教育文档
总结报告
工作范文
心得体会
PPT模板
翻译文档
翻译标准
翻译资料
文章
公告
咨询
问答
专题
标准专题
电脑桌面
添加凡人文库到电脑桌面
安装后可以在桌面快捷访问
立即添加
上传文档
开通会员
限时优惠
充值
登录 | 注册
首页
文档
Tag聚合标签
“头端部”的相关文档
标签
“头端部”
的相关文档,共1条
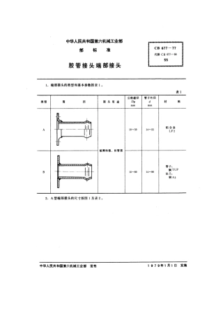
CB 677-1977 胶管接
头端部
接头.pdf
VIP
标准分享网 www. bzfxw. com 免费下载标准分享网 www. bzfxw. com 免费下载
2026-01-26发布
1 浏览
4 页
0 次下载
158.58 KB
首页
上页
1
下页
尾页
文档阅读TOP10
日
周
1
CB 447-1965 形球空气分配器.pdf
4
1页
2
ISO 11357-4-2021.pdf
78
18页
3
ASTM C193 - 64 scan.pdf
147
3页
4
JIS S 1032-2016.pdf
167
27页
5
ISO 12354-1-2017.pdf
179
102页
6
GB∕T 39672-2020 代森锰锌.pdf
3
24页
7
ASTM D821 - 45T scan.pdf
3
4页
8
JT∕T 617.1-2018 危险货物道路运输规则 第1部分:通则.pdf
193
29页
9
DB51∕T 2728-2020 黄瓜生产技术规程.pdf
99
8页
10
SAE AMS 5717H-2014.pdf
3
6页
1
ASTM D8099 - D 8099M - 17 (2023).pdf
194
2页
2
ISO 10816-21-2015.pdf
208
22页
3
ASTM E45-2025中文版.pdf
45
36页
4
GBT 25000.51-2016 系统与软件工程 系统与软件质量要求和评价(SQuaRE) 第51部分:就绪可用软件产品(RUSP)的质量要求和测试细则.pdf
10
29页
5
JB∕T 11792.1-2014 中大功率燃气发动机技术条件 第1部分:天然气发动机.pdf
86
20页
6
ISO 5817-2023 中文版.pdf
36
35页
7
ISO 15613-2025中文版.pdf
65
12页
8
JIS K 0512-1974 (1995) scan.pdf
65
22页
9
ISO 11357-4-2021.pdf
78
18页
10
MSS SP-69-2002.pdf
158
20页
确认删除?
回到顶部