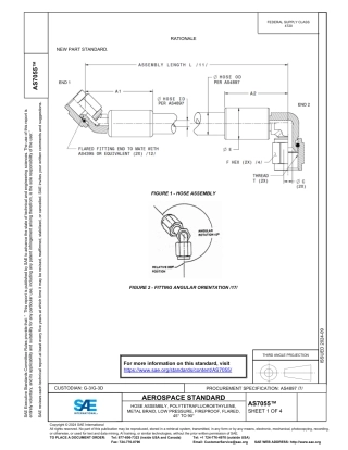
AEROSPACE STANDARD HOSE ASSEMBLY, POLYTETRAFLUOROETHYLENE, METAL BRAID, LOW PRESSURE, FIREPROOF, FLARED, 45° TO 90°...