电脑桌面
添加凡人文库到电脑桌面
安装后可以在桌面快捷访问
标签“AS5259-1B-2025.pdf”的相关文档,共1条
  • SAE AS5259-1B-2025.pdf

    SAE AS5259-1B-2025.pdfVIP

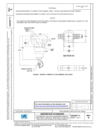
    AEROSPACE STANDARD (R) CRIMPING TOOL AND ACCESSORIES, REMOTE CRIMP HEAD, HYDRAULIC, WIRE SIZE 8 TO 0000 FOR INSUL...

    2026-01-23发布1 浏览3 页0 次下载387.59 KB
确认删除?
回到顶部