SJT 10341.26-1993 精冲模固定凸模式滚动导向模座 四导柱下模座.pdf
SJT 10341.25-1993 精冲模固定凸模式滚动导向模座 四导柱上模座.pdf
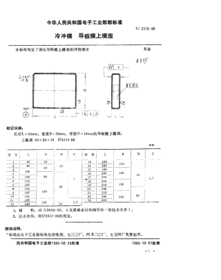
SJ 3115-1988 冷冲模 导板模上模座.pdf
SJ 2990.2-1988 组合冲模 上模座.pdf