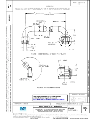
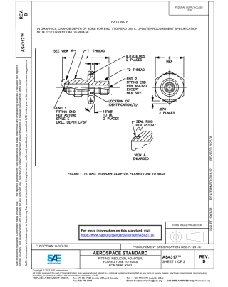
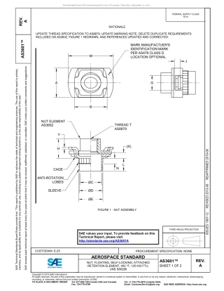
__________________________________________________________________________________________________________________________________...
__________________________________________________________________________________________________________________________________...
__________________________________________________________________________________________________________________________________...
__________________________________________________________________________________________________________________________________...
__________________________________________________________________________________________________________________________________...
__________________________________________________________________________________________________________________________________...
TO PLACE A DOCUMENT ORDER: Tel: 1-877-606-7323 (U.S. and Canada only) Tel: 1-724-776-4970 (outside U.S. and Canada...
__________________________________________________________________________________________________________________________________...
__________________________________________________________________________________________________________________________________...
__________________________________________________________________________________________________________________________________...
__________________________________________________________________________________________________________________________________...
__________________________________________________________________________________________________________________________________...
__________________________________________________________________________________________________________________________________...
__________________________________________________________________________________________________________________________________...
__________________________________________________________________________________________________________________________________...
__________________________________________________________________________________________________________________________________...
__________________________________________________________________________________________________________________________________...
__________________________________________________________________________________________________________________________________...
__________________________________________________________________________________________________________________________________...
__________________________________________________________________________________________________________________________________...

