AEROSPACE STANDARD BOLT, MACHINE – DOUBLE HEXAGON EXTENDED WASHER HEAD, DRILLED, PD SHANK, CRES UNS S66286, 130 ...
AEROSPACE STANDARD PORT - RING LOCKED FLUID CONNECTION TYPE STANDARD DIMENSIONS FOR AS1300™ Copyright © 2019 SAE...
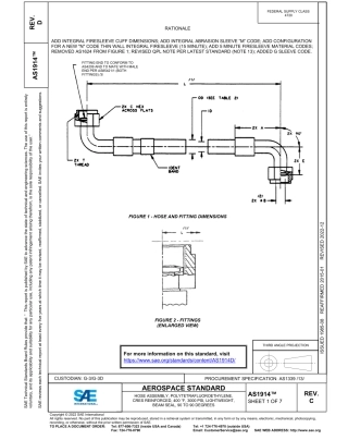
A ER OSPA CE STA NDA R D HOSE ASSEMBLY, POLYTETRAFLUOROETHYLENE, CRES REINFORCED, 400 °F, 3000 PSI, LIGHTWEIGHT,...
SAE AS5710-2008 ASCII.zip
AEROSPACE STANDARD BOLT, MACHINE - DOUBLE HEXAGON EXTENDED WASHER HEAD, DRILLED, PD SHANK, BLACK OXIDE, STEEL, UNS...
A EROSPA CE STA NDA RD BEA RING, BA LL, ROD END, DOUBLE ROW, PRECISION, HOLLOW SHANK, SELF-A LIGNING, A IRFRA...
AEROSPACE STANDARD BOLT, TEE HEAD – CHAMFERED, PD SHANK NICKEL ALLOY (UNS N07001),165 KSI MIN UTS .3750-24 UNJF-...
AEROSPACE STANDARD SPRING, HELICAL, EXTENSION FOR LOADS BELOW 30 LBF AS24586™ Copyright © 2021 SAE International...
AEROSPACE STANDARD BOLT, MACHINE - STEEL, DIFFUSED NICKEL-CADMIUMPLATED, DOUBLE HEXAGON EXTENDED WASHER HEAD,DRILLED,...
__________________________________________________________________________________________________________________________________...
AEROSPACE STANDARD HOSE ASSEMBLY, POLYTETRAFLUOROETHYLENE CRES BRAID REINFORCED, 400 °F, 5080 PSI FLARELESS, STRAIGH...
AEROSPACE STANDARD FITTING, ELBOW, 45°, BULKHEAD, FLARELESS TO FLARED AS5242™ Copyright © 2017 SAE International...
AEROSPACE STANDARD CABLE, FIBER OPTIC, SINGLE-MODE, 6/125/250 μm, HERMETIC COATED, TIGHT BUFFER AS5382™/3 Copyright...
Copyright 2003 SAE InternationalAll rights reserved. No part of this publication may be reproduced, stored in a r...
__________________________________________________________________________________________________________________________________...
__________________________________________________________________________________________________________________________________...
A ER OSPA CE STA NDA R D ELBOW, FLARELESS TUBE, 90 DEGREES AS21904™ Copyright © 2023 SAE International All r...
AEROSPACE STANDARD CONNECTOR, PLUG, ATTACHABLE, EXTERNAL ELECTRICPOWER, AIRCRAFT, SINGLE-JACKETED CABLE ASSEMBLIES, 115...
AEROSPACE STANDARD WASHER, FLAT - AMS 5510 AS9321 Copyright 2015 SAE International All rights reserved. No part o...
__________________________________________________________________________________________________________________________________...
ASME BPVC 2025英文原版合集(共计21个)高清电子版166
ASME BPVC 2025英文原版合集(共计21个)高清电子版1660页
