AEROSPACE STANDARD CONNECTORS, ELECTRICAL, RECTANGULAR, RECEPTACLE, CRIMP CONTACTS, (QUADRUPLE INSERT, TYPE II, CLASS...
AEROSPACE STANDARD LOCKWIRE, BRASS AS100016 THRU AS100025Copyright 2014 SAE International All rights reserved. No pa...
Issued by: Technical Standards Committee (A erospace) SAE Industry Technologies Consortia (ITC) Registered No. 39160...
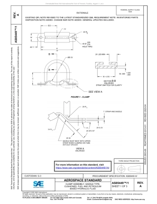
AEROSPACE STANDARD CLAMP ASSEMBLY, SADDLE TYPE, CUSHIONED, FUEL AND PETROLEUM BASED HYDRAULIC FLUID AS85449™/1 Copy...
__________________________________________________________________________________________________________________________________...
Issued by: Technical Standards Committee (Aerospace) SAE Industry Technologies Consortia (ITC) R egistered No. 39160...
__________________________________________________________________________________________________________________________________...
AEROSPACE STANDARD (R) CONNECTORS, ELECTRICAL, CIRCULAR, MINIATURE, COMPOSITE, HIGH DENSITY, QUICK COUPLING, ENVIRONME...
Copyright © 2005 SAE InternationalAll rights reserved. No part of this publication may be reproduced, stored in ...
AEROSPACE STANDARD BOLT, MACHINE - DOUBLE HEXAGON EXTENDED WASHER HEAD, DRILLED, PD SHANK, CADMIUM PLATED, STEEL, ...
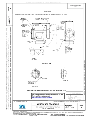
AEROSPACE STANDARD TEE ASSEMBLY, RETAINED NUT ON RUN, SHORT FLARELESS AS4674™ Copyright © 2017 SAE International...
AEROSPACE STANDARD TUBING, PLASTIC, FLEXIBLE, CONVOLUTED, HELICAL ETHYLENE TETRAFLUOROETHYLENE (ETFE), STANDARD CONVOLU...
AEROSPACE STANDARD WIRE, ELECTRIC, FLUOROPOLYMER-INSULATED, FEP-PVF2, LIGHT WEIGHT, SILVER-COATED HIGH STRENGTH COPPER...
AEROSPACE STANDARD (R) FITTING, TEE, BEAM SEAL, BULKHEAD ON RUN, 5000 PSI AS5003™ Copyright 2018 SAE Internationa...
AEROSPACE STANDARD BEARING, BALL, AIRFRAME, ANTI-FRICTION, HEAVY DUTY, CORROSION RESISTANT NITROGEN STEEL (CREN) AS27...
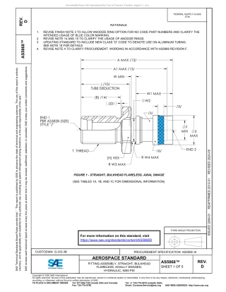
AEROSPACE STANDARD FITTING ASSEMBLY, STRAIGHT, BULKHEAD FLARELESS, AXIALLY SWAGED, HYDRAULIC, 5080 PSI AS5868™ Copyr...
A ER OSPA CE STA NDA R D CONNECTOR ACCESSORIES, ELECTRICAL BOOTS AND SLEEVES, TRANSITIONS, HEAT-SHRINKA BLE, CATE...
__________________________________________________________________________________________________________________________________...
AEROSPACE STANDARD CONNECTOR ACCESSORIES, ELECTRICAL, STRAIN RELIEF, NONENVIRONMENTAL, 90°, SELF-LOCKING AND NON-SELF-...
AEROSPACE STANDARD CLAMP, LOOP, TUBE 17-7PH CUSHION, SELF-LOCKING AS6264Copyright 2013 SAE International All rights ...
ASME BPVC 2025英文原版合集(共计21个)高清电子版166
ASME BPVC 2025英文原版合集(共计21个)高清电子版1660页
