AEROSPACE STANDARD TUBING, PLASTIC, FLEXIBLE, CONVOLUTED, HELICAL FLUORINATED ETHYLENE PROPYLENE (FEP) STANDARD CONVOL...
__________________________________________________________________________________________________________________________________...
AEROSPACE STANDARD FEMALE FERRULE, THREADLESS - FLEXIBLE, FIXED CAVITY, SELF-BONDING, SWAGED AS4735 Copyright 2015 S...
AEROSPACE STANDARDAS1162Issued1971-10Noncurrent1996-10Reaf. Noncur.2008-02Attitude Instruments, Pitch and RollPart IMinimum...
AEROSPACE STANDARD BOLT, MACHINE - DOUBLE HEXAGON EXTENDED WASHER HEAD, DRILLED, PD SHANK, UNS S66286, SILVER PLAT...
AEROSPACE STANDARD (R) CONNECTOR ACCESSORIES, ELECTRICAL, BACKSHELL, NONENVIRONMENTAL, STRAIGHT, SHIELD TERMINATION, CA...
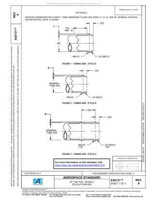
AEROSPACE STANDARD (R) TUBE END - BEADED, DESIGN STANDARD AS5131™ Copyright © 2020 SAE International All rights...
? ?? ????????? ??? ? ????????????????????????????????????????????????????????? ?????? !"#$%&'()*+**?? ??,(-$,.(%!,./? //$...
__________________________________________________________________________________________________________________________________...
AEROSPACE STANDARD (R) CONTACTS, ELECTRICAL CONNECTOR, PIN, CRIMP REMOVABLE (FOR MIL-DTL-28748/9 CONNECTORS) AS39029™...
AEROSPACE STANDARD SCREW - FLAT FILLISTER, DRILLED HEAD, CADMIUM PLATED, STEEL UNS G87400, 125 KSI MIN.3750-24 UNF...
AEROSPACE STANDARD GASKET - 37° FLARED TUBE FITTING, NICKEL, AMS5553 AS3282Copyright 2014 SAE International All ri...
AEROSPACE STANDARD CONNECTOR ACCESSORIES, FIBER OPTIC BACKSHELL, SPLIT, 90°, SELF-LOCKING CATEGORY 3B FOR MIL-DTL-38...
__________________________________________________________________________________________________________________________________...
AEROSPACE STANDARD SLEEVE, CHAFE-PROTECTION, WRAP-AROUND, SELF-CLOSING (-55° TO +260°C) AS60491™/2 Copyright © 201...
__________________________________________________________________________________________________________________________________...
__________________________________________________________________________________________________________________________________...
AEROSPACE STANDARD FITTING END ASSEMBLY, INTERNAL THREAD, RETAINED NUT, BEAM SEAL, DESIGN STANDARD AS4209™ Copyrigh...
AEROSPACE STANDARD FITTING, ADAPTER, BULKHEAD, FLARELESS TO FLARED AS5239Copyright 2014 SAE International All rights...
AEROSPACE STANDARD WIRE, ELECTRIC, CROSSLINKED POLYALKENE INSULATED, SILVER-COATED HIGH STRENGTH COPPER ALLOY, LIGHT ...
ASME BPVC 2025英文原版合集(共计21个)高清电子版166
ASME BPVC 2025英文原版合集(共计21个)高清电子版1660页
