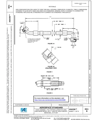
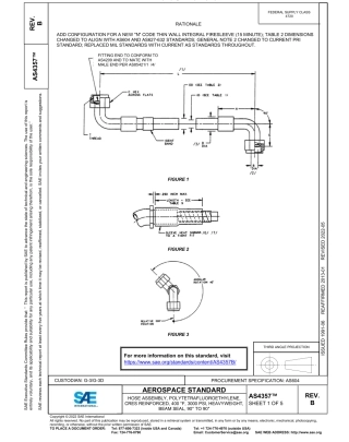
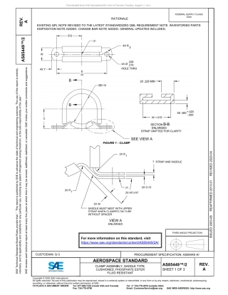
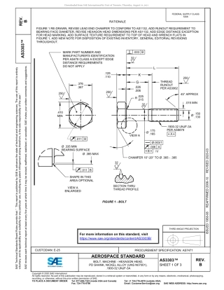
__________________________________________________________________________________________________________________________________...
__________________________________________________________________________________________________________________________________...
__________________________________________________________________________________________________________________________________...
__________________________________________________________________________________________________________________________________...
__________________________________________________________________________________________________________________________________...
__________________________________________________________________________________________________________________________________...
__________________________________________________________________________________________________________________________________...
______________________________________________________________________________________________________ _______________________ _...
AEROSPACE MATERIAL SPECIFICATION AMS03-11 Issued 2015-04 Phosphate Treatment of Iron and Steel RATIONALE This Standa...
AMS 2451/7A AEROSPACE MATERIAL SPECIFICATION Plating, Brush, Nickel Low Stress, Medium-Hardness Deposit RATIONALE AMS...
__________________________________________________________________________________________________________________________________...
__________________________________________________________________________________________________________________________________...
AEROSPACE MATERIAL SPECIFICATION Aluminum Bronze Alloy, Sand Castings 85Cu - 11Al - 3.6Fe Solution Heat Treated an...
__________________________________________________________________________________________________________________________________...
AEROSPACE MATERIAL SPECIFICATION Nickel Alloy, Brazing Filler Metal 73Ni - 0.75C - 4.5Si - 14Cr - 3.1B - 4.5Fe ...
__________________________________________________________________________________________________________________________________...
__________________________________________________________________________________________________________________________________...
__________________________________________________________________________________________________________________________________...
__________________________________________________________________________________________________________________________________...
__________________________________________________________________________________________________________________________________...

