__________________________________________________________________________________________________________________________________...
AEROSPACE STANDARD HOSE ASSEMBLY, PTFE, PARA-ARAMID REINFORCED, STANDARD DUTY, 3000 PSI, 275 °F, TITANIUM FITTINGS,...
__________________________________________________________________________________________________________________________________...
AEROSPACE STANDARD GASKET - TYPE X OR XV ENGINE ACCESSORY DRIVEAS3491Copyright 2013 SAE International All rights r...
__________________________________________________________________________________________________________________________________...
AEROSPACE STANDARD HIGH CONFORMANCE SEAL, TYPE I AND II STANDARD AND LOW PROFILE AS1895™/23 Copyright © 2021 SA...
AEROSPACE STANDARD (R) BEARING, BALL, AIRFRAME, ANTI-FRICTION, EXTRA LIGHT DUTY AS27646™ Copyright 2018 SAE Interna...
__________________________________________________________________________________________________________________________________...
SAE Technical Standards Board Rules provide that: “This report is published by SAE to advance the state of tech...
SAE values your input. To provide feedback on this Technical Report, please visit http://standards.SAE.org/AS7235 AE...
AEROSPACE STANDARD CONNECTOR, PLUG, ELECTRIC, STRAIGHT, SOLDER CONTACTS, AN TYPE AS31061™ Copyright © 2020 SAE In...
__________________________________________________________________________________________________________________________________...
AEROSPACE STANDARD HOSE ASSEMBLY, PTFE, PARA-ARAMID REINFORCED, STANDARD DUTY, 4000 PSI, 275 ⁰F, TITANIUM FITTINGS,...
AEROSPACE STANDARD CONNECTORS, ELECTRICAL, RECTANGULAR, RECEPTACLE, CRIMP CONTACTS (TRIPLE INSERT, TYPE II, CLASS 1,...
__________________________________________________________________________________________________________________________________...
SAE Technical Standards Board Rules provide that: “This report is published by SAE to advance the state of tech...
AEROSPACE STANDARD ACCESSORY, CAP, PROTECTIVE LOCKING, CONNECTOR, ELECTRICAL, CIRCULAR, HIGH DENSITY, QUICK DISCONNECT...
__________________________________________________________________________________________________________________________________...
__________________________________________________________________________________________________________________________________...
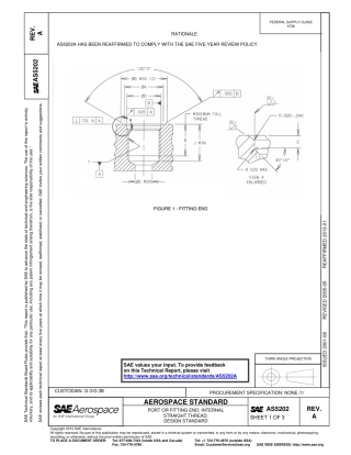
AEROSPACE STANDARD PORT OR FITTING END, INTERNAL STRAIGHT THREAD, DESIGN STANDARD AS5202 Copyright 2013 SAE Interna...
ASME BPVC 2025英文原版合集(共计21个)高清电子版166
ASME BPVC 2025英文原版合集(共计21个)高清电子版1660页
