__________________________________________________________________________________________________________________________________...
__________________________________________________________________________________________________________________________________...
__________________________________________________________________________________________________________________________________...
__________________________________________________________________________________________________________________________________...
__________________________________________________________________________________________________________________________________...
__________________________________________________________________________________________________________________________________...
__________________________________________________________________________________________________________________________________...
__________________________________________________________________________________________________________________________________...
__________________________________________________________________________________________________________________________________...
___________________________________________________ _____________________________________________________________________________...
__________________________________________________________________________________________________________________________________...
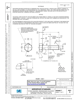
SAE Technical Standards Board Rules provide that: “This report is published by SAE to advance the state of tech...
__________________________________________________________________________________________________________________________________...
__________________________________________________________________________________________________________________________________...
__________________________________________________________________________________________________________________________________...
__________________________________________________________________________________________________________________________________...
___________________________________________________ _____________________________________________________________________________...
___________________________________________________ _____________________________________________________________________________...
SAE Technical Standards Board Rules provide that: “This report is published by SAE to advance the state of tech...
__________________________________________________________________________________________________________________________________...

