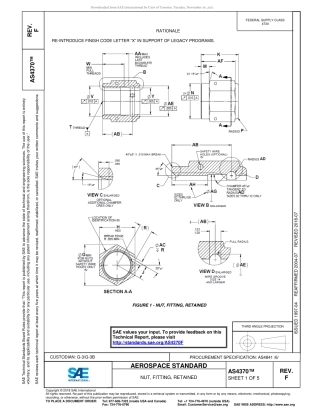
AEROSPACE STANDARD NUT, FITTING, RETAINED AS4370™ Copyright © 2018 SAE International All rights reserved. No part...
AEROSPACE STANDARD (R) CONTACTS, ELECTRICAL CONNECTOR, PIN, CRIMP REMOVABLE (FOR AS50151 SERIES, AS345XX AND MIL-DTL...
AEROSPACE STANDARD (R) WIRE, ELECTRICAL, FLUOROPOLYMER-INSULATED, EXTRUDED TFE, NICKEL-COATED, COPPER CONDUCTOR, 600 V...
__________________________________________________________________________________________________________________________________...
AEROSPACE STANDARD STUD, SHOULDERED, STEPPED, HEX, WRENCHING,STEEL UNS G87400, CADMIUM PLATED, 125 KSI MIN,.2500-28 ...
AEROSPACE STANDARD REMOVAL TOOLS, CONNECTOR, ELECTRICAL CONTACT, (FORK TYPE, WRAP POST/CRIMP REMOVABLE) TYPE II, CLA...
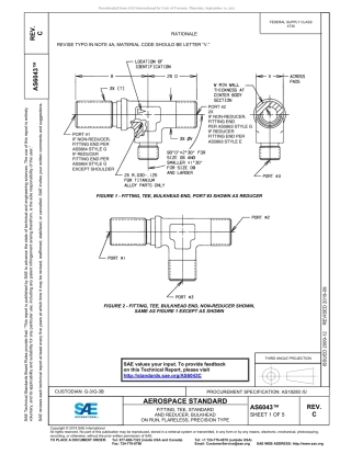
AEROSPACE STANDARD FITTING, TEE, STANDARD AND REDUCER, BULKHEAD ON RUN, FLARELESS, PRECISION TYPE AS6043™ Copyright...
AEROSPACE STANDARD FITTING, ADAPTER, FLARELESS TO FLARED AS5238Copyright 2014 SAE International All rights reserved....
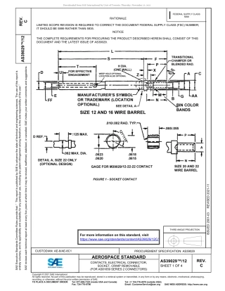
AEROSPACE STANDARD CONTACTS, ELECTRICAL CONNECTOR, SOCKET, CRIMP REMOVABLE (FOR AS81659 SERIES 2 CONNECTORS) AS39029...
AEROSPACE STANDARD (R) INSULATION SLEEVING, ELECTRICAL, HEAT SHRINKABLE, POLYOLEFIN, FLEXIBLE, CROSSLINKED AS23053™/5...
AEROSPACE STANDARD FITTING, UNION AND REDUCER, FLARELESS, PRECISION TYPE AS6141™ Copyright © 2018 SAE Internationa...
AEROSPACE STANDARD WIRE, ELECTRICAL, SOLDERLESS WRAP, UNINSULATED, GOLD COATED SOLID CONDUCTOR AS81822/11Copyright 201...
SAE values your input. To provide feedback on this Technical Report, please visit http://standards.SAE.org/AS7237 AE...
AEROSPACE STANDARD FITTING ASSEMBLY, ELBOW, 90°, BULKHEAD FLARELESS, AXIALLY SWAGED, HYDRAULIC, 3000 PSI AS5805™ C...
AEROSPACE STANDARD PLUG, EXPANSION - AMS5510 AS9379™ Copyright © 2018 SAE International All rights reserved. No ...
AEROSPACE STANDARD O-RING MOLDED FROM AMS7259 MATERIAL AS83248™/2 Copyright © 2021 SAE International All rights r...
___________________________________________________ _____________________________________________________________________________...
AEROSPACE STANDARD (R) NUT, SELF-LOCKING, DOUBLE HEXAGON, SILVER PLATED, EXTENDED WRENCH PAD 180 KSI, 1400 °F, UN...
AEROSPACE STANDARD FITTING, ELBOW, 45 DEGREE, STANDARD AND REDUCER, BULKHEAD, FLARELESS AS1010™ Copyright © 2017 ...
__________________________________________________________________________________________________________________________________...
ASME BPVC 2025英文原版合集(共计21个)高清电子版166
ASME BPVC 2025英文原版合集(共计21个)高清电子版1660页
