电脑桌面
添加凡人文库到电脑桌面
安装后可以在桌面快捷访问
标签“AS632D-2018.pdf”的相关文档,共1条
  • SAE AS632D-2018.pdf

    SAE AS632D-2018.pdfVIP

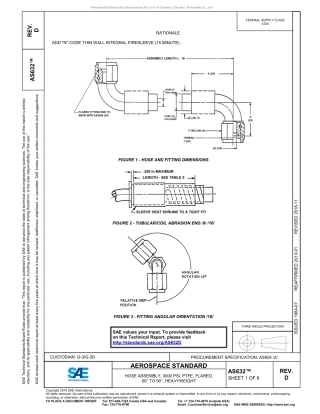
    AEROSPACE STANDARD HOSE ASSEMBLY, 3000 PSI, PTFE, FLARED, 90° TO 90°, HEAVYWEIGHT AS632™ Copyright 2018 SAE Int...

    2025-11-17发布189 浏览6 页1 次下载225.63 KB
确认删除?
回到顶部