标准分享网 www. bzfxw. com 提供免费下载标准分享网 www. bzfxw. com 提供免费下载标准分享网 www. bzfxw. com 提供免费下载...
标准分享网 www. bzfxw. com 提供免费下载标准分享网 www. bzfxw. com 提供免费下载标准分享网 www. bzfxw. com 提供免费下载...
标准分享网 www. bzfxw. com 提供免费下载标准分享网 www. bzfxw. com 提供免费下载标准分享网 www. bzfxw. com 提供免费下载...
标准分享网 www. bzfxw. com 提供免费下载标准分享网 www. bzfxw. com 提供免费下载标准分享网 www. bzfxw. com 提供免费下载...
标准分享网 www. bzfxw. com 提供免费下载标准分享网 www. bzfxw. com 提供免费下载
标准分享网 www. bzfxw. com 提供免费下载标准分享网 www. bzfxw. com 提供免费下载标准分享网 www. bzfxw. com 提供免费下载
标准分享网 www. bzfxw. com 免费下载标准分享网 www. bzfxw. com 免费下载
【电子行业军用标准】SJ 1885-1981 复合介质电容器总技术条件.pdf.pdf
【电子行业军用标准】SJ 198-1980 计数管总技术条件.pdf
SJ 2883-1981 双磁体内磁式扬声器用永磁铁氧体磁体尺寸.pdf
SJ 2744-1987 磁性氧化物制成的方形磁芯(RM-磁芯)及其附件的尺寸.pdf
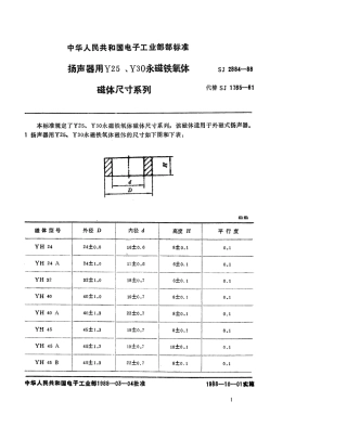
SJ 2884-1988 扬声器用Y25、Y30永磁铁氧体磁体尺寸系列.pdf
祖国万岁上传祖国万岁上传祖国万岁上传祖国万岁上传祖国万岁上传祖国万岁上传祖国万岁上传祖国万岁上传祖国万岁上传祖国万岁上传祖国万岁上...
SJ 2628.1-1985 冷冲模 滑动导柱.pdf
SJ 2629.1-1985 冷冲模 滑动导套.pdf
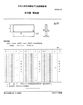
SJ 2636-1985 冷冲模 导料板.pdf
SJ 2669-1986 圆导体无屏蔽带状电缆总规范.pdf
SJ 2638.2-1985 冷冲模 旋入式模柄.pdf
SJ 2638.1-1985 冷冲模 压入式模柄.pdf
SJ 2638.3-1985 冷冲模 铆接模柄.pdf

