SJ 2639.2-1985 冷冲模 带台圆凹模.pdf
SJ 3084-1988 冲裁模通用模架 凹模.pdf
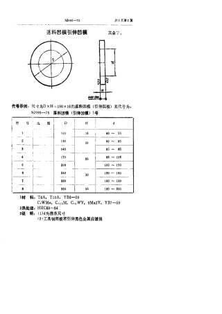
【电子行业军用标准】SJ 995-1975 落料凹模引伸凹模.pdf.pdf
SJ 3004.15-1988 组合冲模 凹模.pdf
JB∕T 4211.2-2014 螺钉冷镦模 第2部分:凹模.pdf
JB∕T 5111.3-2015 平锻模零件 第3部分:凹模镶块.pdf
JB∕T 5111.2-2015 平锻模零件 第2部分:凹模模块.pdf