前言本标准是对电力金具标称破坏荷重系列及零件联结尺寸 的修订本标准的标称破坏载荷系列由原标准的个等级增加到个等级本标准自实施之日起...
GBT 2315-2017 电力金具 标称破坏载荷系列及连接型式尺寸.pdf
标准分享网 www. bzfxw. com 免费下载www.bzfxw.com
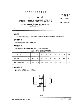
ICS 65.020.99B 04DB41河南省地方标准DB41/T 1982—2020耕地破坏鉴定技术规范2020 - 09 - 11 发布2020 - 12 - 11 实施河南省...