电脑桌面
添加凡人文库到电脑桌面
安装后可以在桌面快捷访问
标签“铝背”的相关文档,共1条
  • HGT 2947-2011 铝背水壶橡胶密封垫片.pdf

    HGT 2947-2011 铝背水壶橡胶密封垫片.pdfVIP

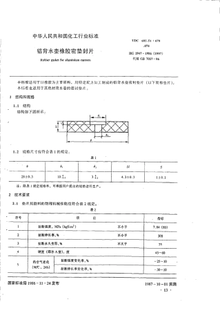
    ICS 83.140.99G 45备案号:34536- - 2012HG中华人民共和国化工行业标准HG/T 2947—20 11代替H(;2叭71986铝背水壶橡胶密封垫片2 ...

    2025-12-16发布0 浏览7 页0 次下载137.41 KB
确认删除?
回到顶部