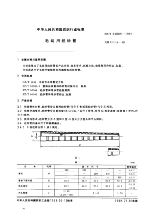
中华人民共和国纺织行业标准FZ/T 9 30 09一 199 1毛 纺 用 经 纱 管代替 FI 1114-1981主题内容与适用范圈本标准规定了毛纺用经...
【纺织行业标准】FZT 90004-2002 经纱管和纬纱管检验规则.pdf
中华人民共和国纺织行业标准Fz /T 900 05一 199 1经纱管和纬纱管标志、包装主题 内容 与适用范 围本标准规定了经纱管和纬纱管的标...
中华人民共和国纺织行业标准塑料经纱管和纬纱管试验方法 静弯曲Fz /T 9000 3. 1 一 1 9911主顺 内容与适用范围本标准规定了测试塑...
中华人民共和国纺织行业标准塑料经纱管和纬纱管试验方法 冲击功Fz /T 90 0 03. 2一 19911主厄内容与适用范圈 本标准规定了侧试塑料...
中华人民共和国纺织行业标准塑料经纱管和纬纱管试验方法 振程FZ/T 9000 3. 3一 19911主题 内容与适用范围本标准规定了测试塑料经纱管...
中华人民共和国纺织行业标准FZ/T 90004 一 1991经纱管和纬纱管检验规则1主题内容与适用范围本标准规定了卷绕纱线用经纱管和纬纱管的检验...
中华人民共和国纺织行业标准Fz /T 9 3029一 1 994塑料粗纱管代替 F1 1001- 1978本标准非等效采用 ISO 344-1981《纺织机械和附件...

