电脑桌面
添加凡人文库到电脑桌面
安装后可以在桌面快捷访问

FZ 90004-1991 经纱管和纬纱管检验规则.pdfVIP免费

FZ 90004-1991 经纱管和纬纱管检验规则.pdf_第1页
1/2
FZ 90004-1991 经纱管和纬纱管检验规则.pdf_第2页
2/2
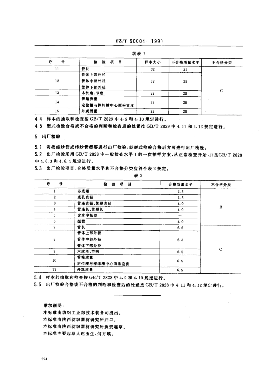
中华人民共和国纺织行业标准FZ/T 90004 一 1991经纱管和纬纱管检验规则1主题内容与适用范围本标准规定了卷绕纱线用经纱管和纬纱管的检验总则、型式检验和出厂检验。 本标准适用于木质、纸质或塑料经纱管和纬...

1、当您付费下载文档后,您只拥有了使用权限,并不意味着购买了版权,文档只能用于自身使用,不得用于其他商业用途(如 [转卖]进行直接盈利或[编辑后售卖]进行间接盈利)。
2、本站所有内容均由合作方或网友上传,本站不对文档的完整性、权威性及其观点立场正确性做任何保证或承诺!文档内容仅供研究参考,付费前请自行鉴别。
3、如文档内容存在违规,或者侵犯商业秘密、侵犯著作权等,请点击“违规举报”。

碎片内容

FZ 90004-1991 经纱管和纬纱管检验规则.pdf

您可能关注的文档

确认删除?
回到顶部