电脑桌面
添加凡人文库到电脑桌面
安装后可以在桌面快捷访问
标签“AS85421-2C-2022.pdf”的相关文档,共1条
  • SAE AS85421-2C-2022.pdf

    SAE AS85421-2C-2022.pdfVIP

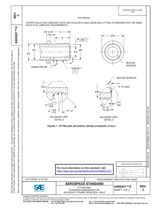
    AEROSPACE STANDARD FITTING END, STANDARD DIMENSIONS FOR, BULKHEAD, DYNAMIC BEAM SEAL, MALE AS85421™/2 Copyright ©...

    2026-01-23发布0 浏览3 页0 次下载165.61 KB
确认删除?
回到顶部