电脑桌面
添加凡人文库到电脑桌面
安装后可以在桌面快捷访问
标签“AS4354B-2022.pdf”的相关文档,共1条
  • SAE AS4354B-2022.pdf

    SAE AS4354B-2022.pdfVIP

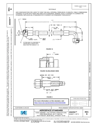
    AEROSPACE STANDARD HOSE ASSEMBLY, POLYTETRAFLUOROETHYLENE, CRES REINFORCED, 400 °F, 3000 PSI, HEAVYWEIGHT, BEAM SEAL...

    2026-01-23发布0 浏览5 页0 次下载247.99 KB
确认删除?
回到顶部