电脑桌面
添加凡人文库到电脑桌面
安装后可以在桌面快捷访问
标签“AS5692-1-2023.pdf”的相关文档,共1条
  • SAE AS5692-1-2023.pdf

    SAE AS5692-1-2023.pdfVIP

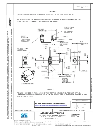
    AEROSPACE STANDARD ARC FAULT CIRCUIT BREAKER, TRIP FREE, PUSH-PULL, FUSIBLE LINK DESIGN 2-1/2-15 AMPS, TYPE IAS5692...

    2026-01-23发布0 浏览5 页0 次下载227.21 KB
确认删除?
回到顶部