__________________________________________________________________________________________________________________________________...
AEROSPACE STANDARD PACKING, PREFORMED, HYDROCARBON FUEL RESISTANT, “O” RING AS29513™ Copyright © 2021 SAE Intern...
AEROSPACE STANDARD ELBOW, 90°, FLARED TUBE FOR SEAL RING AS1250 Copyright 2014 SAE International All rights reser...
__________________________________________________________________________________________________________________________________...
AEROSPACE STANDARD CRIMPING TOOLS, TYPE I, TERMINAL, HAND, WIRE TERMINATION FOR WIRE BARREL SIZES 12 THROUGH 22 A...
__________________________________________________________________________________________________________________________________...
__________________________________________________________________________________________________________________________________...
__________________________________________________________________________________________________________________________________...
AEROSPACE STANDARDAS8021Issued1981-03Reaffirmed 2008-02Minimum Performance StandardforDirection Instrument, Non-Magnetic (G...
AEROSPACE STANDARD (R) CONNECTORS, PLUG, ELECTRIC, 45 DEGREES ASSEMBLY, CRIMP CONTACT, AN TYPE AS34091™ Copyright ...
AER OSPACE STANDAR D HOSE ASSEMBLY, 3000 PSI, PT FE, FLA RELESS, STR AIGHT TO 90°, HEAVYWEIGHT AS623™ Copyrigh...
AEROSPACE STANDARD BOLT, MACHINE - DOUBLE HEXAGON EXTENDED WASHER HEAD, FULL SHANK, STEEL UNS G87400 CADMIUM PLATE...
AEROSPACE STANDARD CONTACTS, ELECTRICAL CONNECTORS, SOCKET, SOLDER, REMOVABLE, SHIELDED, SIZE 12 (FOR MIL-DTL-83723 S...
__________________________________________________________________________________________________________________________________...
__________________________________________________________________________________________________________________________________...
Copyright © 2004 SAE InternationalAll rights reserved. No part of this publication may be reproduced, stored in ...
AEROSPACE STANDARD ELBOW, 90°, FLARED TUBE BULKHEAD UNIVERSAL, FOR SEAL RING AS1366 Copyright 2014 SAE Internation...
AEROSPACE STANDARD CONNECTOR ACCESSORIES, ELECTRICAL, STRAIN RELIEF, 90° SELF-LOCKING, AND NON-SELF-LOCKING, CATEGORY...
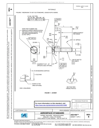
AEROSPACE STANDARD SCREW, MACHINE - HEXAGON HEAD, DRILLED 1 HOLE, PD SHANK, CRES AMS5731(UNS S66286), .1640-36 UNJ...
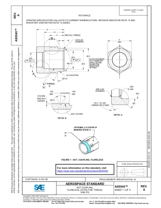
A EROSPA CE STA NDA RD NUT COUPLING, FLA RELESS, EXTRA FINE THREA D, 5080 PSI A S5545™ Copyright © 2023 SA...
ASME BPVC 2025英文原版合集(共计21个)高清电子版166
ASME BPVC 2025英文原版合集(共计21个)高清电子版1660页
