__________________________________________________________________________________________________________________________________...
AEROSPACE STANDARD ELBOW, 90°, BULKHEAD, STANDARD AND REDUCER, REDUCED BODY, FLARELESS AS4132™ Copyright © 2019 ...
AEROSPACE STANDARD (R) FITTING, ELBOW, 90°, BEAM SEAL, 5000 PSI AS5002™ Copyright 2018 SAE International All rig...
AEROSPACE STANDARD (R) CABLE, SAFETY, FERRULE, ELONGATEDCORROSION AND HEAT RESISTANT STEEL,UNS S32100 AS3618™ Copyri...
__________________________________________________________________________________________________________________________________...
AEROSPACE STANDARD BOOTS, HEAT-SHRINKABLE, STRAIN-RELIEF, STRAIGHT AS31091 Copyright 2008 SAE International All rights...
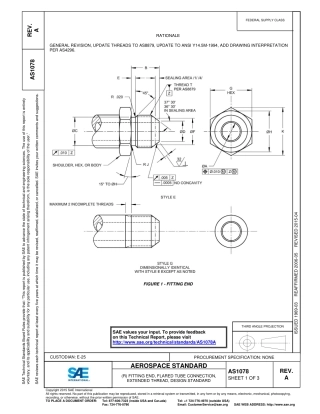
AEROSPACE STANDARD (R) FITTING END, FLARED TUBE CONNECTION, EXTENDED THREAD, DESIGN STANDARD AS1078 Copyright 2015 ...
__________________________________________________________________________________________________________________________________...
___________________________________________________ _____________________________________________________________________________...
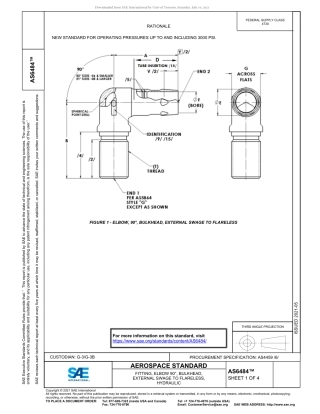
AEROSPACE STANDARD FITTING, ELBOW 90°, BULKHEAD, EXTERNAL SWAGE TO FLARELESS, HYDRAULIC AS6484™ Copyright © 2021...
__________________________________________________________________________________________________________________________________...
AEROSPACE STANDARD HOSE ASSEMBLY, CONVOLUTED, POLYTETRAFLUOROETHYLENE, METALLIC REINFORCEDCONDUCTIVE, FLARED, 45° TO 4...
__________________________________________________________________________________________________________________________________...
A ER OSPA CE STA NDA R D ELBOW, BULK HEAD UNIV ERSAL, 90 DEGREES, FLARELESS TUBE AS21908™ Copyright © 2022 ...
__________________________________________________________________________________________________________________________________...
__________________________________________________________________________________________________________________________________...
__________________________________________________________________________________________________________________________________...
__________________________________________________________________________________________________________________________________...
__________________________________________________________________________________________________________________________________...
__________________________________________________________________________________________________________________________________...
ASME BPVC 2025英文原版合集(共计21个)高清电子版166
ASME BPVC 2025英文原版合集(共计21个)高清电子版1660页
