AEROSPACE STANDARD RING, RETAINING - EXTERNAL, REINFORCED E-RING, TYPE I CLASS 3, AMS 5520, METRIC MA4030™ Copyri...
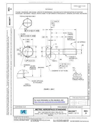
METRIC AEROSPACE STANDARD (R) BOLT, MACHINE - HEXAGON HEAD, PD SHANK, MJ THREAD, CORROSION AND HEAT RESISTANT STE...
__________________________________________________________________________________________________________________________________...
SAE Technical Standards Board Rules provide that: “This report is published by SAE to advance the state of tech...
AEROSPACE STANDARD HOSE ASSEMBLY, PTFE, PARA ARAMID REINFORCED, HEAVY-DUTY, 21 000 K PA, 135 ⁰C, FLARELESS, TITAN...
METRIC AEROSPACE STANDARD BOLT, MACHINE-HEX HEAD, DRILLED, PD SHANK, LONG THREAD, NICKEL ALLOY UNS N07718, METRIC ...
__________________________________________________________________________________________________________________________________...
__________________________________________________________________________________________________________________________________...
METR IC A ER OSPA CE STA NDA R D ADA PTER - PORT TO TUBE, 60 DEG CONE COUPLING, A MS5639, MJ THREA D, MET...
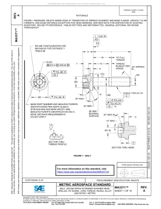
METRIC AEROSPACE STANDARD BOLT, SPLINE DRIVE EXTENDED WASHER HEAD, DRILLED, PD SHANK, LONG THREAD, NICKEL ALLOY UN...
__________________________________________________________________________________________________________________________________...
AEROSPACE STANDARD CLAMP, LOOP STYLE, CUSHIONED, WITH WEDGE, PHOSPHATE ESTER FLUID RESISANT, METRIC MA2150/ 2 Copyr...
METRIC AEROSPACE STANDARD STUD, STEPPED - 1.5 DIA ENGAGEMENT, A286, MJ METRIC 10 X 1.25 - 8 X 1 MA3386Copyright...
SAE Technical Standards Board Rules provide that: “This report is published by SAE to advance the state of tech...
METRIC AEROSPACE STANDARD STUD, STRAIGHT - 2.5 DIA ENGAGEMENT, A286, MJ METRIC 7 X 1 - 7 X 1 MA3380™ Copyrigh...
METRIC AEROSPACE STANDARD SCREW, MACHINE, 100° CSK, FLAT HEAD, OFFSET CRUCIFORM RECESS, FULL SHANK, UNS S66286, M...
METRIC AEROSPACE STANDARD NUT, PLAIN HEX - DRLD, UNS S66286, SILVER PLATE, MJ THREAD, METRIC MA3423 Copyr ight 2...
SAE Technical Standards Board Rules provide that: “This report is published by SAE to advance the state of tech...
__________________________________________________________________________________________________________________________________...
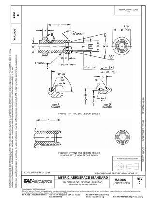
METRIC AEROSPACE STANDARD (R) FITTING END, 24° CONE, BULKHEAD, DESIGN STANDARD, METRIC MA2096 Copyright 2004 SAE ...
ASME BPVC 2025英文原版合集(共计21个)高清电子版166
ASME BPVC 2025英文原版合集(共计21个)高清电子版1660页
