METRIC AEROSPACE STANDARD PIN, COTTER - CRES, UNS S32100, AS7211 METRIC SERIES MA3259™ Copyright © 2018 SAE Int...
METRIC AEROSPACE STANDARD STUD, STEPPED - 2.0 DIA ENGAGEMENT, A286, MJ METRIC 7 X 1 - 6 X 1 MA3389 Copyright ...
AEROSPACE STANDARD HOSE ASSEMBLY, METAL, MEDIUM PRESSURE, FLARELESS, WELDED, 90⁰ TO 90⁰ FITTING ENDS, METRIC MA21...
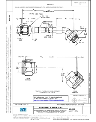
AEROSPACE STANDARD HOSE ASSEMBLY, METAL, MEDIUM PRESSURE, FLARELESS, WELDED, STRAIGHT TO STRAIGHT FITTING ENDS, METR...
AEROSPACE STANDARD HOSE A SSEMBLY, CONVOLUTED, NONMETALLIC, TFE, FLAREL ESS, 90° TO 90° MA2125 Copyr ight 2015 ...
AEROSPACE STANDARD (R) ALTERNATE DIMENSIONS, CENTER BODY SECTION, SHAPE FLUID FITTING, DESIGN STANDARD, METRIC MA202...
AEROSPACE STANDARD HOSE ASSEMBLY, POLYTETRAFLUOROETHYLENE, PARA ARAMID REINFORCED, 21 000 KPA, 135 ⁰C, BEAM SEAL, ...
METRIC AEROSPACE STANDARD NUT, CASTELLATED, HEX - THIN, UNS G87400, CADMIUM PLATE, MJ THREAD, METRIC MA3427 Copyri...
SAE Technical Standards Board Rules provide that: “This report is published by SAE to advance the state of tech...
AEROSPACE STANDARD HOSE ASSEMBLY, TETRAFLUOROETHYLENE, 21,000 K PA, FLARELESS, 45⁰ TO 45⁰, METRIC MA2089 Copyr ig...
AEROSPACE STANDARD HOSE ASSEMBLY, PTFE, ARAMID REINFORCED, STANDARD DUTY,21 000/28 000 KPA, 135 ⁰C, TITANIUM FITTI...
AEROSPACE STANDARD PIN, STRAIGHT, HEADLESS AMS5732, METRIC MA4019™ Copyright © 2019 SAE International All rights ...
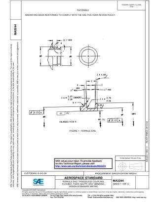
AEROSPACE STANDARD FERRULE END, THREADLESS COUPLING, FLEXIBLE, FIXED CAVITY , SELF-BONDING, DESIGN STANDARD, METRIC ...
__________________________________________________________________________________________________________________________________...
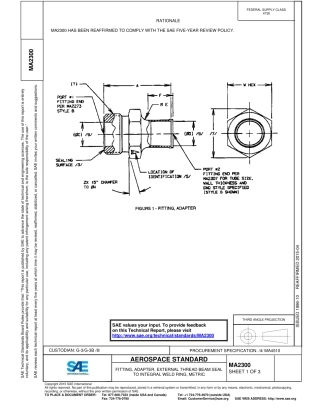
AEROSPACE STANDARD FITTING, ADAPTER, EXTERNAL THREAD BEAM SEALTO INTEGRAL WELD RING, METRIC MA2300 Copyr ight 2015...
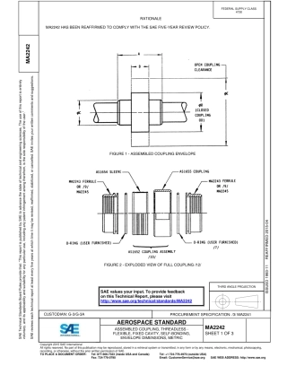
AEROSPACE STANDARD ASSEMBLED COUPLING, THREADLESS - FLEXIBLE, FIXED CAVITY , SELF-BONDING, ENVELOPE DIMENSIONS, METRI...
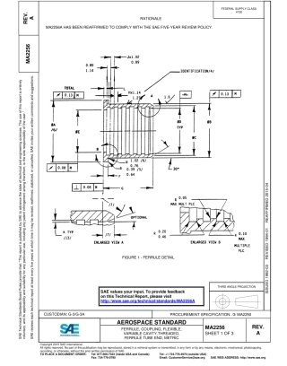
AEROSPACE STANDARD FERRULE, COUPLING, FLEXIBLE, VARIABLE CAVITY,THREADED, FERRULE TUBE END, METRIC MA2256 Copyr ight...
SAE values your input. To provide feedback on this Technical Report, please visit http://standards.sae.org/MA7211A M...
METRIC AEROSPACE STANDARD NUT, SELF-LOCKING – SPLINE DRIVE,EXTENDED WASHER UNS S66286, SILVER PLATE,MJ THREAD, METR...
METRIC AEROSPACE STANDARD WASHER, CUP, LOCK - SPANNER NUT AMS5646, METRIC MA4045™ Copyright © 2019 SAE Internati...
ASME BPVC 2025英文原版合集(共计21个)高清电子版166
ASME BPVC 2025英文原版合集(共计21个)高清电子版1660页
