AEROSPACE STANDARD HOSE ASSEMBLY, TETRAFLUOROETHYLENE, 21,000 KPA, FLARELESS, STRAIGHT TO 45⁰, METRIC MA2087 Copyr ...
METRIC AEROSPACE STANDARD NUT, SELF LOCKING - SHANK UNS N07001, SILVER PLATE MJ THREAD, METRIC MA3433Copyright 201...
METRIC AEROSPACE STANDARD (R) BOLT, MACHINE-SPLINE EXTENDED WASHER, FULL SHANK, LONG THREAD, AMS5731, METRIC MA3341...
METRIC AEROSPACE STANDARD BOLT, MACHINE - TEE HEAD, CHAMFERED CLASSIFICATION: 1210 MPA/730 °C CLOSE TOL SHANK, UN...
AEROSPACE STANDARD BUSHING, SCREW THREAD EXPANDER, FLARELESS TUBE, METRIC MA2037 Copyr ight 2015 SAE Inter national...
AEROSPACE STANDARD (R) FITTING ASSEMBLY, ELBOW, 45⁰, THIN WALL, RETAINED NUT, FLARELESS, METRIC MA2048 Copyr ight...
SAE Technical Standards Board Rules provide that: “This report is published by SAE to advance the state of tech...
METR IC A ER OSPA CE STA NDA R D NUT - HEX, BA CK -UP RING, PORT FITTING CONNECTOR, AMS5639, MJ THREAD, MET...
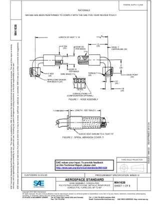
AEROSPACE STANDARD HOSE ASSEMBLY, CONVOLUTED, POLY TETRA FLUOROETHY LENE, METALLIC REINFORCED CONDUCTIVE, FLARELESS, ...
METRIC AEROSPACE STANDARD CLIP - SPRING, TENSION, OUTER 5.5 MM BOLT HOLE, AMS 5525, METRIC MA3294 Copyright 2012...
METRIC AEROSPACE STANDARD INSERT - THIN WALL, LONG SELF-LOCKING, 550 �C, SILVER PLATED UNS N07718, MJ THREAD, ME...
METRIC AEROSPACE STANDARD BOLT, MACHINE - SPLINE DRIVE, EXTENDED WASHER HEAD, PD SHANK, LONG THREAD, UNS N07001, ...
__________________________________________________________________________________________________________________________________...
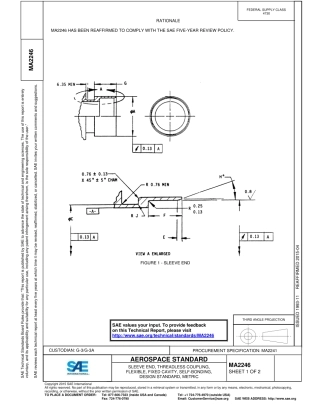
AEROSPACE STANDARD SLEEVE END, THREADLESS COUPLING, FLEXIBLE, FIXED CAVITY, SELF-BONDING, DESIGN STANDARD, METRIC MA2...
AEROSPACE STANDARD RING, RETAINING - INTERNAL, SPIRAL WOUND, HEAVY AND MEDIUM DUTY CRES, METRIC MA4017™ Copyright...
METRIC AEROSPACE STANDARD NUT, PLAIN HEX - THIN, UNS S66286 MJ THREAD, METRIC MA3344™ Copyright © 2018 SAE Int...
AEROSPACE STANDARD HOSE ASSEMBLY, METAL, MEDIUM PRESSURE, FLARELESS, WELDED, 45⁰ TO 45⁰ FITTING ENDS, METRIC MA21...
__________________________________________________________________________________________________________________________________...
__________________________________________________________________________________________________________________________________...
__________________________________________________________________________________________________________________________________...
ASME BPVC 2025英文原版合集(共计21个)高清电子版166
ASME BPVC 2025英文原版合集(共计21个)高清电子版1660页
