电脑桌面
添加凡人文库到电脑桌面
安装后可以在桌面快捷访问

GBT 20036-2005 纺织机械与附件 多臂装置用连续纹纸尺寸.pdfVIP免费

GBT 20036-2005 纺织机械与附件 多臂装置用连续纹纸尺寸.pdf_第1页
1/5
GBT 20036-2005 纺织机械与附件 多臂装置用连续纹纸尺寸.pdf_第2页
2/5
GBT 20036-2005 纺织机械与附件 多臂装置用连续纹纸尺寸.pdf_第3页
3/5
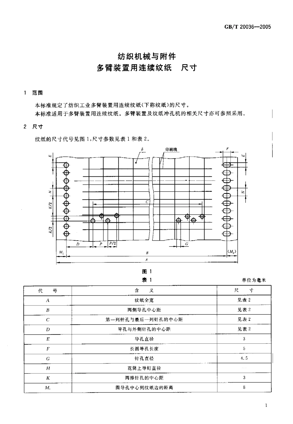
沥日中 华 人 民 共 和 国 国 家 标 准GB/T 20036- 2005 纺织机械与附件多臂装置用连续纹纸尺寸 Textile machinery and accessories-Paper patterns of dobbies- Dimensions(IS O 576 :...

1、当您付费下载文档后,您只拥有了使用权限,并不意味着购买了版权,文档只能用于自身使用,不得用于其他商业用途(如 [转卖]进行直接盈利或[编辑后售卖]进行间接盈利)。
2、本站所有内容均由合作方或网友上传,本站不对文档的完整性、权威性及其观点立场正确性做任何保证或承诺!文档内容仅供研究参考,付费前请自行鉴别。
3、如文档内容存在违规,或者侵犯商业秘密、侵犯著作权等,请点击“违规举报”。

碎片内容

GBT 20036-2005 纺织机械与附件 多臂装置用连续纹纸尺寸.pdf

确认删除?
回到顶部