电脑桌面
添加凡人文库到电脑桌面
安装后可以在桌面快捷访问

GB 2316-1985 电力金具产品型号命名方法.pdfVIP免费

GB 2316-1985 电力金具产品型号命名方法.pdf_第1页
1/4
GB 2316-1985 电力金具产品型号命名方法.pdf_第2页
2/4
GB 2316-1985 电力金具产品型号命名方法.pdf_第3页
3/4
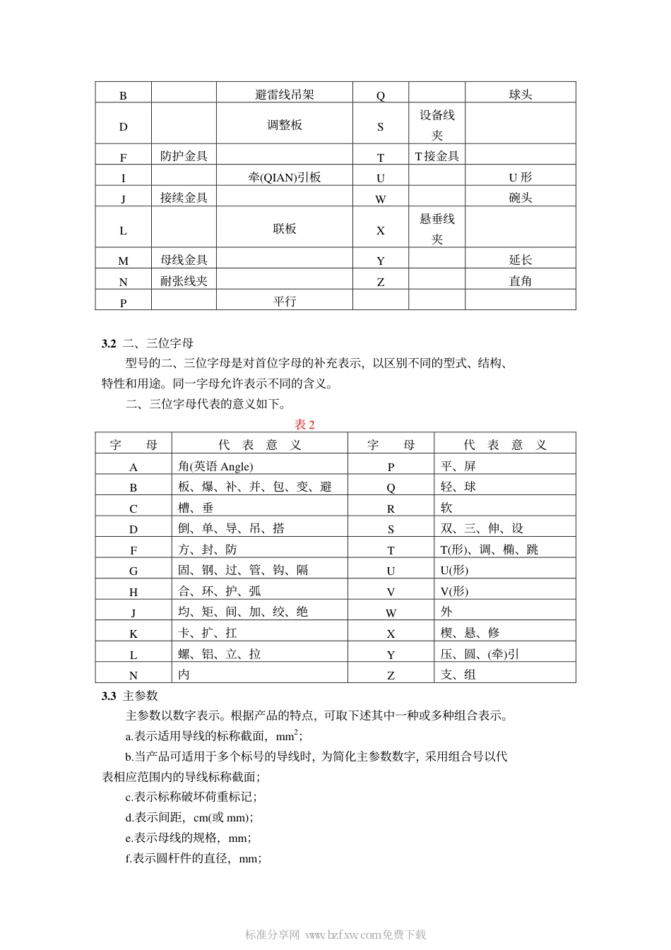
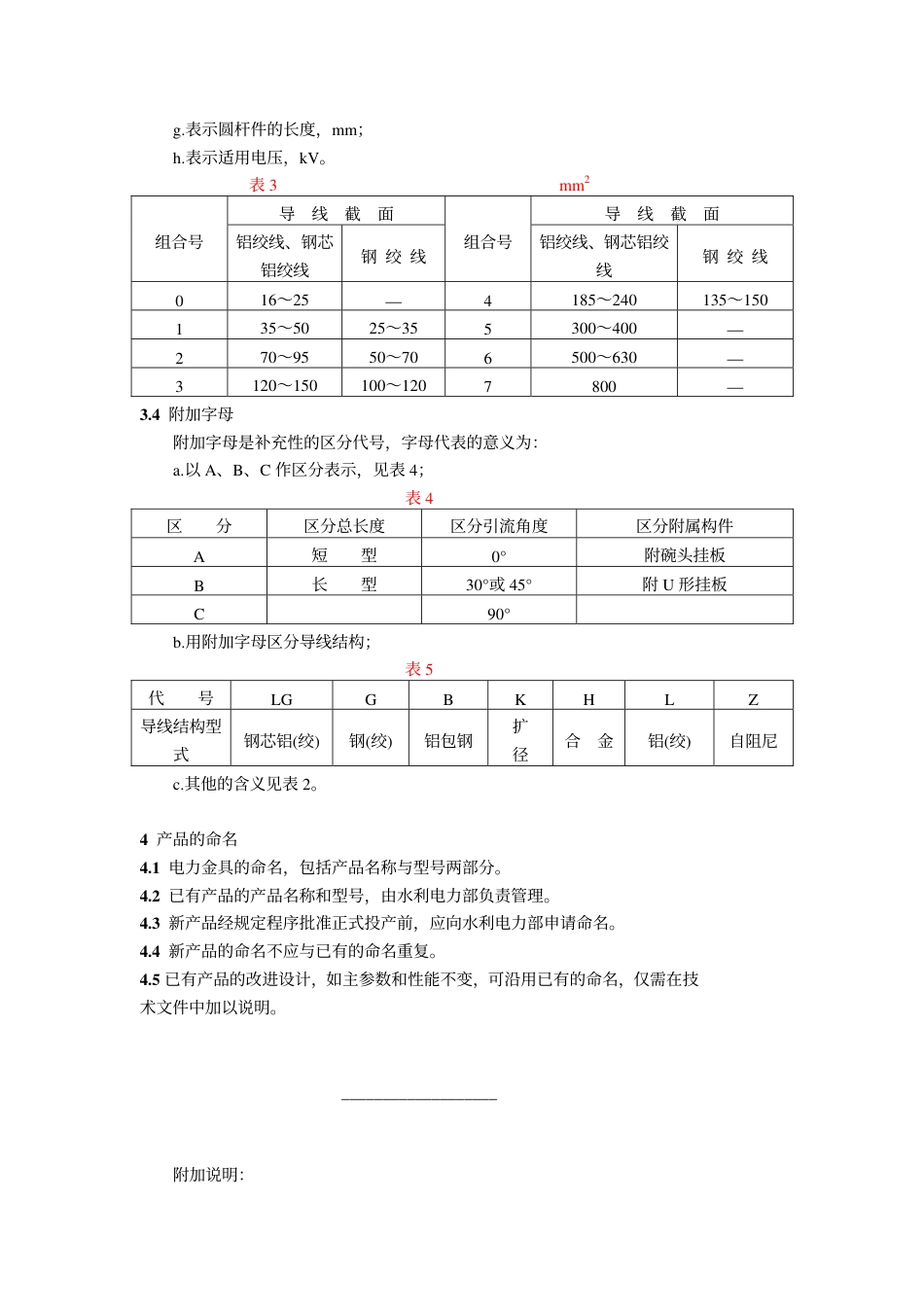
中华人民共和国国家标准 电力金具 UDC621.315.6 .004.1: 产品型号命名方法 001.4 GB2316—85 Nomenclature for fittings model 代替 GB2316—80 国家标准局 1985-01-23 发布 1985-12-01 实施 1...

1、当您付费下载文档后,您只拥有了使用权限,并不意味着购买了版权,文档只能用于自身使用,不得用于其他商业用途(如 [转卖]进行直接盈利或[编辑后售卖]进行间接盈利)。
2、本站所有内容均由合作方或网友上传,本站不对文档的完整性、权威性及其观点立场正确性做任何保证或承诺!文档内容仅供研究参考,付费前请自行鉴别。
3、如文档内容存在违规,或者侵犯商业秘密、侵犯著作权等,请点击“违规举报”。

碎片内容

GB 2316-1985 电力金具产品型号命名方法.pdf

确认删除?
回到顶部