电脑桌面
添加凡人文库到电脑桌面
安装后可以在桌面快捷访问

GBT 3047.1-1995 高度进制为20mm的面板、架和柜的基本尺寸系列.pdfVIP免费

GBT 3047.1-1995 高度进制为20mm的面板、架和柜的基本尺寸系列.pdf_第1页
1/7
GBT 3047.1-1995 高度进制为20mm的面板、架和柜的基本尺寸系列.pdf_第2页
2/7
GBT 3047.1-1995 高度进制为20mm的面板、架和柜的基本尺寸系列.pdf_第3页
3/7
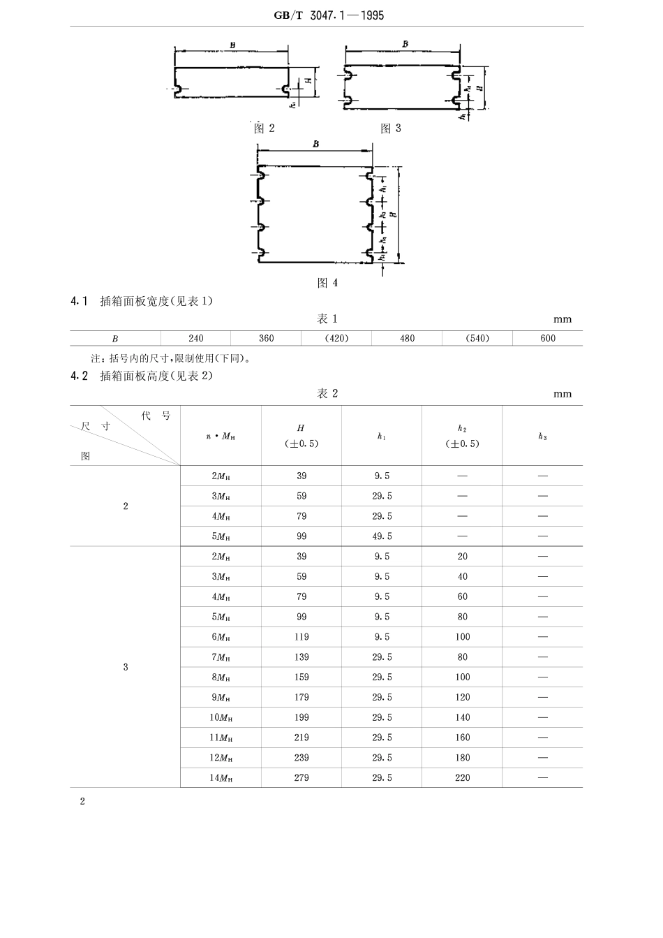
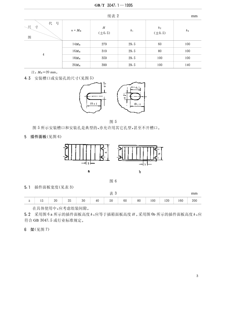
中 华 人 民 共 和 国 国 家 标 准高度进制为的面板 架和柜的基本尺寸系列代替第一部分国家技术监督局批准实施主题内容与适用范围本标准规定了高度进制为的插箱面板 插件面板 架和柜的基本尺寸系列...

1、当您付费下载文档后,您只拥有了使用权限,并不意味着购买了版权,文档只能用于自身使用,不得用于其他商业用途(如 [转卖]进行直接盈利或[编辑后售卖]进行间接盈利)。
2、本站所有内容均由合作方或网友上传,本站不对文档的完整性、权威性及其观点立场正确性做任何保证或承诺!文档内容仅供研究参考,付费前请自行鉴别。
3、如文档内容存在违规,或者侵犯商业秘密、侵犯著作权等,请点击“违规举报”。

碎片内容

GBT 3047.1-1995 高度进制为20mm的面板、架和柜的基本尺寸系列.pdf

确认删除?
回到顶部