电脑桌面
添加凡人文库到电脑桌面
安装后可以在桌面快捷访问

GBT 2792-1981 压敏胶粘带180°剥离强度测定方法.pdfVIP免费

GBT 2792-1981 压敏胶粘带180°剥离强度测定方法.pdf_第1页
1/4
GBT 2792-1981 压敏胶粘带180°剥离强度测定方法.pdf_第2页
2/4
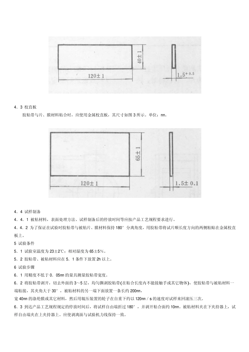
GBT 2792-1981 压敏胶粘带180°剥离强度测定方法.pdf_第3页
3/4
中 华 人 民 共 和 国 国 家 标 准 GB/T 2792-81 压敏胶粘带 180°剥离强度测定方法 1 适用范围 本标准规定了用剥离法测量分开压敏胶粘带与被粘板材所需力的测定方法。 压敏胶粘带与被粘物为...

1、当您付费下载文档后,您只拥有了使用权限,并不意味着购买了版权,文档只能用于自身使用,不得用于其他商业用途(如 [转卖]进行直接盈利或[编辑后售卖]进行间接盈利)。
2、本站所有内容均由合作方或网友上传,本站不对文档的完整性、权威性及其观点立场正确性做任何保证或承诺!文档内容仅供研究参考,付费前请自行鉴别。
3、如文档内容存在违规,或者侵犯商业秘密、侵犯著作权等,请点击“违规举报”。

碎片内容

GBT 2792-1981 压敏胶粘带180°剥离强度测定方法.pdf

确认删除?
回到顶部