电脑桌面
添加凡人文库到电脑桌面
安装后可以在桌面快捷访问

GB 5980-2000 内河船舶噪声级规定.pdfVIP免费

GB 5980-2000 内河船舶噪声级规定.pdf_第1页
1/3
GB 5980-2000 内河船舶噪声级规定.pdf_第2页
2/3
GB 5980-2000 内河船舶噪声级规定.pdf_第3页
3/3
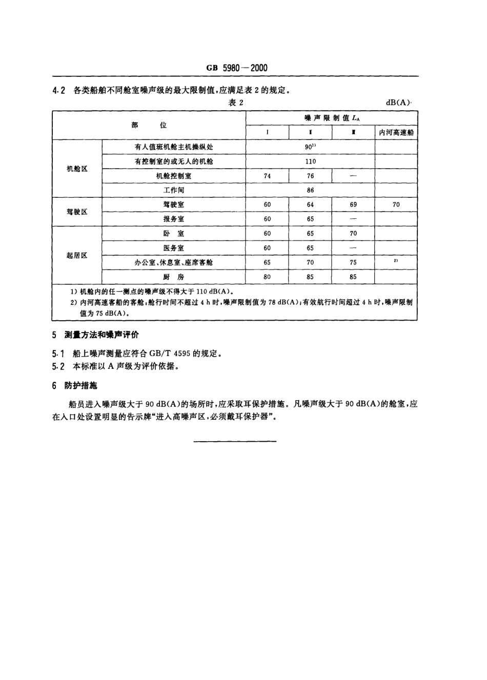
GB 5980- 2000 前 .J 毖 b 本标准是根据十几年来的实施经验和我国内河船舶设计、制造技术水平的提高,种类的增加,缩小与发达国家内河船建造技术水平的差距,对GB 5980- 1986《内河船舶噪声级规定》的...

1、当您付费下载文档后,您只拥有了使用权限,并不意味着购买了版权,文档只能用于自身使用,不得用于其他商业用途(如 [转卖]进行直接盈利或[编辑后售卖]进行间接盈利)。
2、本站所有内容均由合作方或网友上传,本站不对文档的完整性、权威性及其观点立场正确性做任何保证或承诺!文档内容仅供研究参考,付费前请自行鉴别。
3、如文档内容存在违规,或者侵犯商业秘密、侵犯著作权等,请点击“违规举报”。

碎片内容

GB 5980-2000 内河船舶噪声级规定.pdf

确认删除?
回到顶部