电脑桌面
添加凡人文库到电脑桌面
安装后可以在桌面快捷访问

GBT 5588-2002 银镍、银铁电触头技术条件.PDFVIP免费

GBT 5588-2002 银镍、银铁电触头技术条件.PDF_第1页
1/7
GBT 5588-2002 银镍、银铁电触头技术条件.PDF_第2页
2/7
GBT 5588-2002 银镍、银铁电触头技术条件.PDF_第3页
3/7
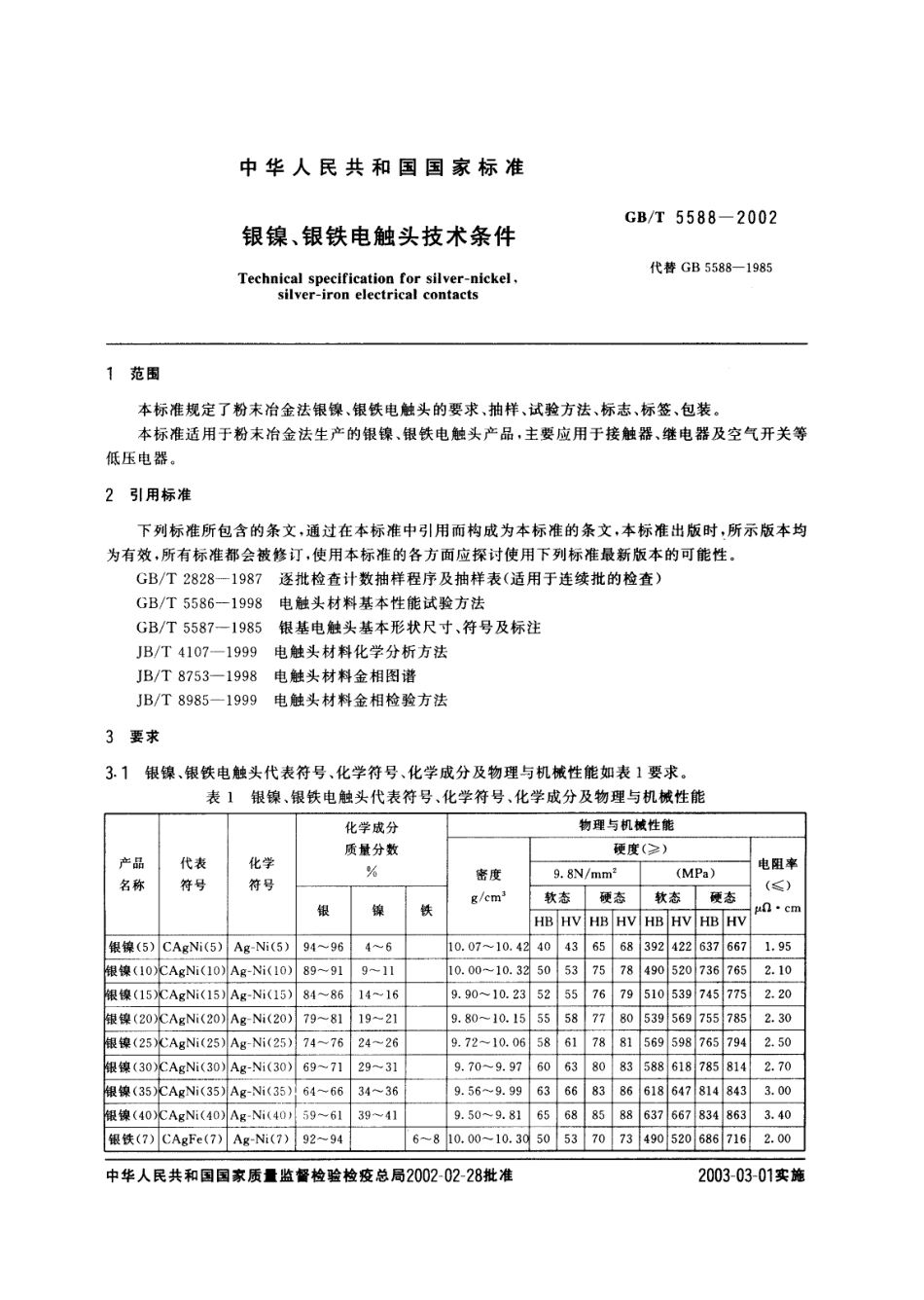
GB/T 5588一2002 前 ,2 全 「1 本标准是对 GB 5588- - 1985《银镍、银铁电触头技术条件》进行修订的。 本标准按GB/T 1. 1- 1993《标准化工作导则第 1单元:标准的起草与表述规则第 1 部分:标...

1、当您付费下载文档后,您只拥有了使用权限,并不意味着购买了版权,文档只能用于自身使用,不得用于其他商业用途(如 [转卖]进行直接盈利或[编辑后售卖]进行间接盈利)。
2、本站所有内容均由合作方或网友上传,本站不对文档的完整性、权威性及其观点立场正确性做任何保证或承诺!文档内容仅供研究参考,付费前请自行鉴别。
3、如文档内容存在违规,或者侵犯商业秘密、侵犯著作权等,请点击“违规举报”。

碎片内容

GBT 5588-2002 银镍、银铁电触头技术条件.PDF

确认删除?
回到顶部