电脑桌面
添加凡人文库到电脑桌面
安装后可以在桌面快捷访问

BB 0006-2004 包装容器 20mm口径铝气雾罐.pdfVIP免费

BB 0006-2004 包装容器 20mm口径铝气雾罐.pdf_第1页
1/6
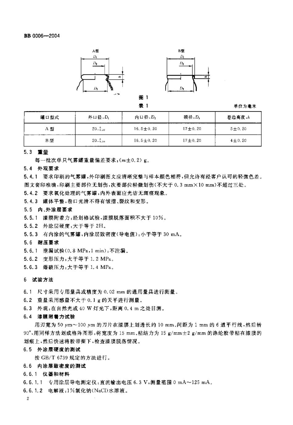
BB 0006-2004 包装容器 20mm口径铝气雾罐.pdf_第2页
2/6
BB 0006-2004 包装容器 20mm口径铝气雾罐.pdf_第3页
3/6
BB 0006-2004前言本标准的第5 章第5 条、第 6 条为强制性的,其余为推荐性的。本标准与BB 0006- 1995《包装容器20 mm口径铝喷雾罐》主要的技术差异如下:—将原标准名称中“喷雾罐”改为“气雾罐”;—增加...

1、当您付费下载文档后,您只拥有了使用权限,并不意味着购买了版权,文档只能用于自身使用,不得用于其他商业用途(如 [转卖]进行直接盈利或[编辑后售卖]进行间接盈利)。
2、本站所有内容均由合作方或网友上传,本站不对文档的完整性、权威性及其观点立场正确性做任何保证或承诺!文档内容仅供研究参考,付费前请自行鉴别。
3、如文档内容存在违规,或者侵犯商业秘密、侵犯著作权等,请点击“违规举报”。

碎片内容

BB 0006-2004 包装容器 20mm口径铝气雾罐.pdf

您可能关注的文档

确认删除?
回到顶部