电脑桌面
添加凡人文库到电脑桌面
安装后可以在桌面快捷访问

GBT 17760-1999 印染布布面疵点检验方法.pdfVIP免费

GBT 17760-1999 印染布布面疵点检验方法.pdf_第1页
1/6
GBT 17760-1999 印染布布面疵点检验方法.pdf_第2页
2/6
GBT 17760-1999 印染布布面疵点检验方法.pdf_第3页
3/6
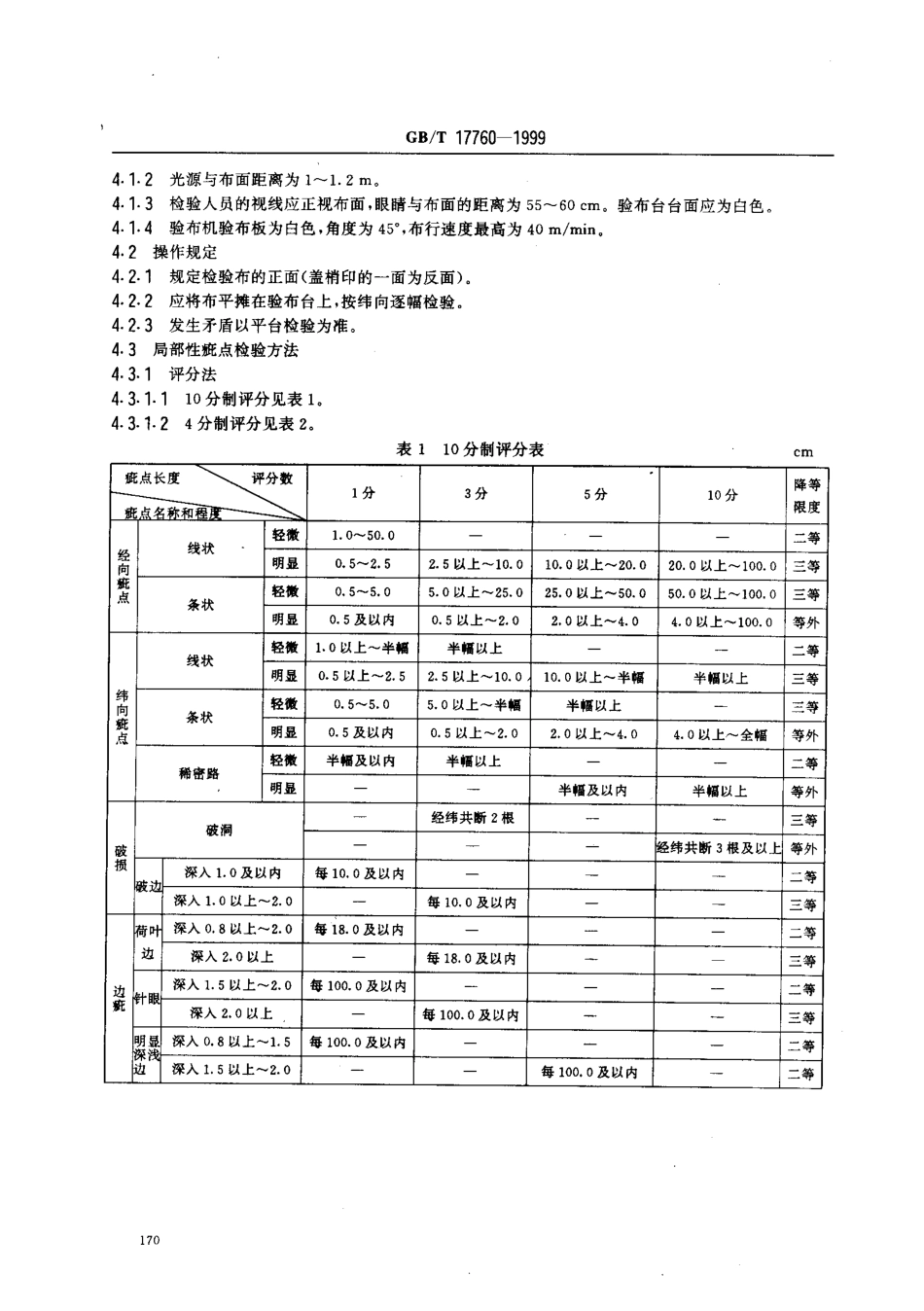
Gs /T 17760- 1999前言 本标准是根据纺织印染产品最终用途对布面疵点不同的要求而编制的。检验方法分为评分法、计点法和标疵法。这些方法的本身不代表一个标准的质量水平,而是根据疵点的严重程度给出一个评...

1、当您付费下载文档后,您只拥有了使用权限,并不意味着购买了版权,文档只能用于自身使用,不得用于其他商业用途(如 [转卖]进行直接盈利或[编辑后售卖]进行间接盈利)。
2、本站所有内容均由合作方或网友上传,本站不对文档的完整性、权威性及其观点立场正确性做任何保证或承诺!文档内容仅供研究参考,付费前请自行鉴别。
3、如文档内容存在违规,或者侵犯商业秘密、侵犯著作权等,请点击“违规举报”。

碎片内容

GBT 17760-1999 印染布布面疵点检验方法.pdf

确认删除?
回到顶部