电脑桌面
添加凡人文库到电脑桌面
安装后可以在桌面快捷访问

GBT 17759-1999 本色布布面疵点检验方法.pdfVIP免费

GBT 17759-1999 本色布布面疵点检验方法.pdf_第1页
1/10
GBT 17759-1999 本色布布面疵点检验方法.pdf_第2页
2/10
GBT 17759-1999 本色布布面疵点检验方法.pdf_第3页
3/10
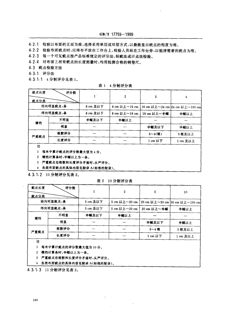
GB/'e 17759- 1999前言 制定本标准的目的是为了方便其他纺织产品标准的起草和编制,有利于规范纺织产品外观质量中局部性布面疵点和分散性布面疵点检验。 本标准参考了国际上有关国家的相关标准,根据国内本色...

1、当您付费下载文档后,您只拥有了使用权限,并不意味着购买了版权,文档只能用于自身使用,不得用于其他商业用途(如 [转卖]进行直接盈利或[编辑后售卖]进行间接盈利)。
2、本站所有内容均由合作方或网友上传,本站不对文档的完整性、权威性及其观点立场正确性做任何保证或承诺!文档内容仅供研究参考,付费前请自行鉴别。
3、如文档内容存在违规,或者侵犯商业秘密、侵犯著作权等,请点击“违规举报”。

碎片内容

GBT 17759-1999 本色布布面疵点检验方法.pdf

确认删除?
回到顶部