电脑桌面
添加凡人文库到电脑桌面
安装后可以在桌面快捷访问

GB 18241.1-2001 橡胶衬里 第1部分 设备防腐衬里.pdfVIP免费

GB 18241.1-2001 橡胶衬里 第1部分 设备防腐衬里.pdf_第1页
1/8
GB 18241.1-2001 橡胶衬里 第1部分 设备防腐衬里.pdf_第2页
2/8
GB 18241.1-2001 橡胶衬里 第1部分 设备防腐衬里.pdf_第3页
3/8
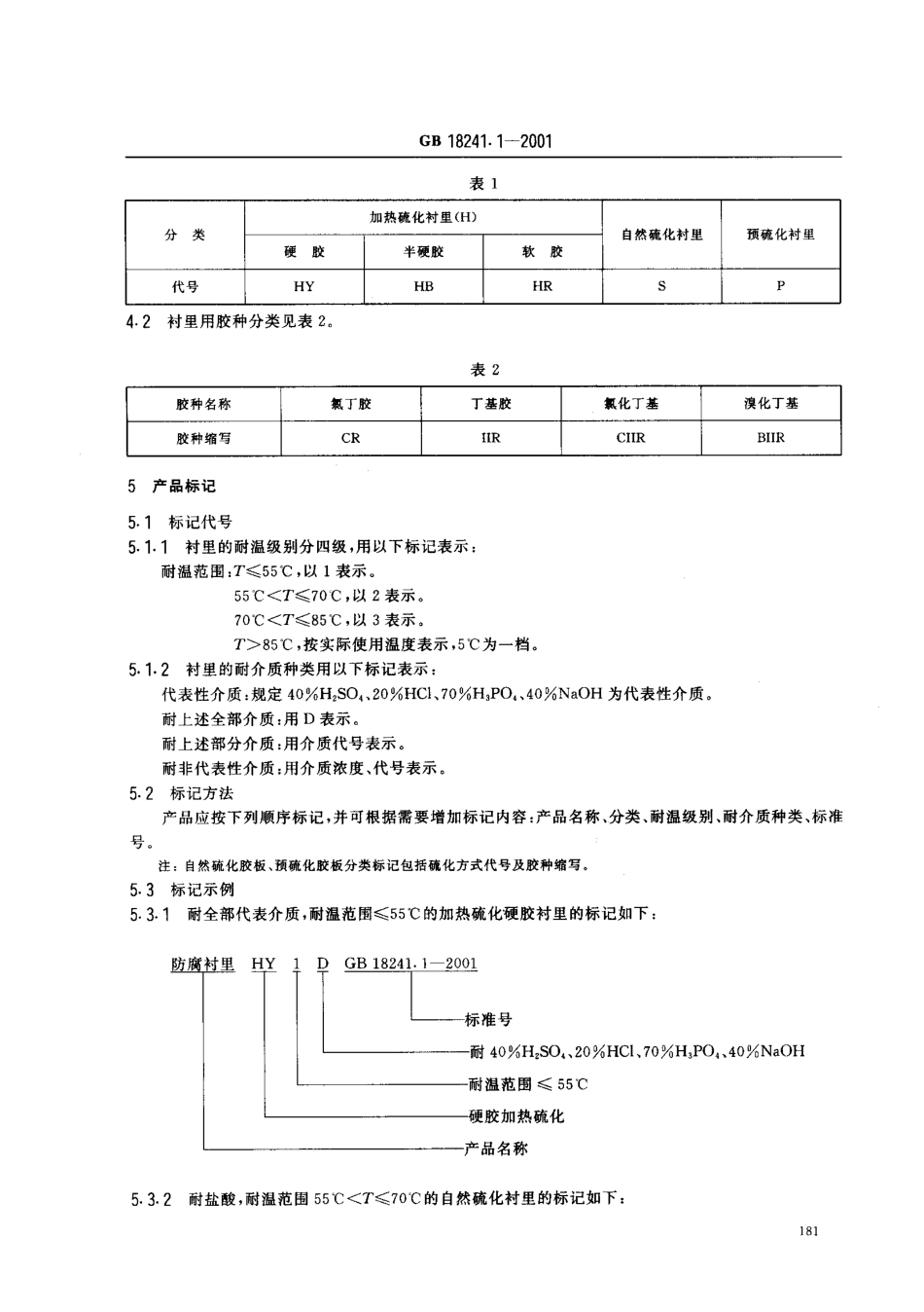
GB 18241. 1- 2001前言 本标准在《橡胶衬里》标题下分三部分出版: —第 1 部分:设备防腐衬里; —第 2 部分:磨机衬里; —第 3 部分:浮选机衬里。 本部分为第 1 部分。 本标准第 5 章、第 6 ...

1、当您付费下载文档后,您只拥有了使用权限,并不意味着购买了版权,文档只能用于自身使用,不得用于其他商业用途(如 [转卖]进行直接盈利或[编辑后售卖]进行间接盈利)。
2、本站所有内容均由合作方或网友上传,本站不对文档的完整性、权威性及其观点立场正确性做任何保证或承诺!文档内容仅供研究参考,付费前请自行鉴别。
3、如文档内容存在违规,或者侵犯商业秘密、侵犯著作权等,请点击“违规举报”。

碎片内容

GB 18241.1-2001 橡胶衬里 第1部分 设备防腐衬里.pdf

确认删除?
回到顶部