电脑桌面
添加凡人文库到电脑桌面
安装后可以在桌面快捷访问

SJT 10202-1991 CCD彩色单板应用电视摄像机总技术条件.pdfVIP免费

SJT 10202-1991 CCD彩色单板应用电视摄像机总技术条件.pdf_第1页
1/10
SJT 10202-1991 CCD彩色单板应用电视摄像机总技术条件.pdf_第2页
2/10
SJT 10202-1991 CCD彩色单板应用电视摄像机总技术条件.pdf_第3页
3/10
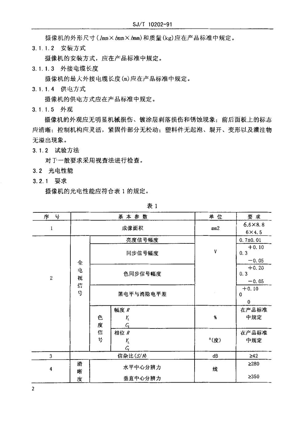
中华 人 民 共和 国 电子 行业标 准SJ / T 10202- 91CCD彩色单板应用电视摄像机总技术条件Gener ic specif icat ion for CCD s ingle- chipco lour appl ied TV cameras1991- 05- 28...

1、当您付费下载文档后,您只拥有了使用权限,并不意味着购买了版权,文档只能用于自身使用,不得用于其他商业用途(如 [转卖]进行直接盈利或[编辑后售卖]进行间接盈利)。
2、本站所有内容均由合作方或网友上传,本站不对文档的完整性、权威性及其观点立场正确性做任何保证或承诺!文档内容仅供研究参考,付费前请自行鉴别。
3、如文档内容存在违规,或者侵犯商业秘密、侵犯著作权等,请点击“违规举报”。

碎片内容

SJT 10202-1991 CCD彩色单板应用电视摄像机总技术条件.pdf

您可能关注的文档

确认删除?
回到顶部