电脑桌面
添加凡人文库到电脑桌面
安装后可以在桌面快捷访问

【电子行业军用标准】SJ 10257-1991 电子元器件详细规范 半导体集成电路CD3220CP型带ALC双前置放大器.PDFVIP免费

【电子行业军用标准】SJ 10257-1991 电子元器件详细规范 半导体集成电路CD3220CP型带ALC双前置放大器.PDF_第1页
1/12
【电子行业军用标准】SJ 10257-1991 电子元器件详细规范 半导体集成电路CD3220CP型带ALC双前置放大器.PDF_第2页
2/12
【电子行业军用标准】SJ 10257-1991 电子元器件详细规范 半导体集成电路CD3220CP型带ALC双前置放大器.PDF_第3页
3/12
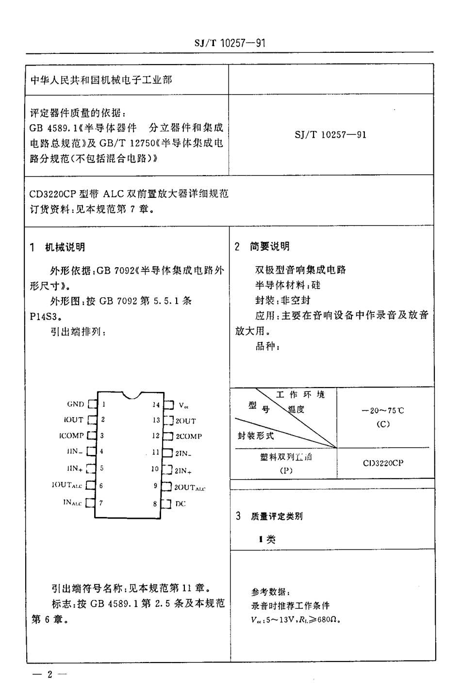
S J中华人民共和国电子工业行业标准sJ /T 1025710261- 91sJ /T 10263 .10265- 91 电子元器件详细规范半导体集成电路音响电路 ( 一 )1991一们一12 发布1992-01-01 实施中华人民共和国机械电子工业部...

1、当您付费下载文档后,您只拥有了使用权限,并不意味着购买了版权,文档只能用于自身使用,不得用于其他商业用途(如 [转卖]进行直接盈利或[编辑后售卖]进行间接盈利)。
2、本站所有内容均由合作方或网友上传,本站不对文档的完整性、权威性及其观点立场正确性做任何保证或承诺!文档内容仅供研究参考,付费前请自行鉴别。
3、如文档内容存在违规,或者侵犯商业秘密、侵犯著作权等,请点击“违规举报”。

碎片内容

【电子行业军用标准】SJ 10257-1991 电子元器件详细规范 半导体集成电路CD3220CP型带ALC双前置放大器.PDF

您可能关注的文档

确认删除?
回到顶部