电脑桌面
添加凡人文库到电脑桌面
安装后可以在桌面快捷访问

GBT 18744-2002 土工合成材料 塑料三维土网垫.pdfVIP免费

GBT 18744-2002 土工合成材料 塑料三维土网垫.pdf_第1页
1/5
GBT 18744-2002 土工合成材料 塑料三维土网垫.pdf_第2页
2/5
GBT 18744-2002 土工合成材料 塑料三维土网垫.pdf_第3页
3/5
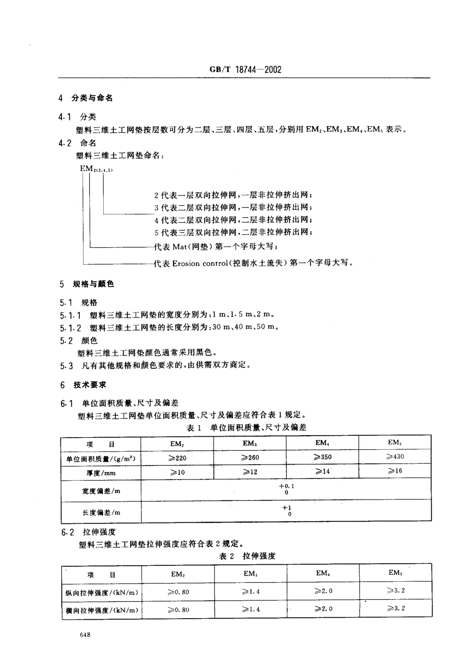
GB/T 18744- 2002前言 塑料三维土工网垫是以热塑性树脂为原料,经挤出成网、拉伸、复合成型等工序而制成的多层塑料三维土工 网垫。 塑料三维土工网垫适用于公路、铁路、水利、矿山、市政工程等领域的边坡防...

1、当您付费下载文档后,您只拥有了使用权限,并不意味着购买了版权,文档只能用于自身使用,不得用于其他商业用途(如 [转卖]进行直接盈利或[编辑后售卖]进行间接盈利)。
2、本站所有内容均由合作方或网友上传,本站不对文档的完整性、权威性及其观点立场正确性做任何保证或承诺!文档内容仅供研究参考,付费前请自行鉴别。
3、如文档内容存在违规,或者侵犯商业秘密、侵犯著作权等,请点击“违规举报”。

碎片内容

GBT 18744-2002 土工合成材料 塑料三维土网垫.pdf

确认删除?
回到顶部