METRIC AEROSPACE STANDARD INSERT, SCREW THREAD, HELICAL COIL, METRIC SERIES, SCREW LOCKING, CRES, CADMIUM PLATED MA...
AEROSPACE STANDARD UNION, REDUCER, FLARELESS TUBE OR BOSS Copyright 2015 SAE International All rights reserved. No...
__________________________________________________________________________________________________________________________________...
SAE Technical Standards Board Rules provide that: “This report is published by SAE to advance the state of tech...
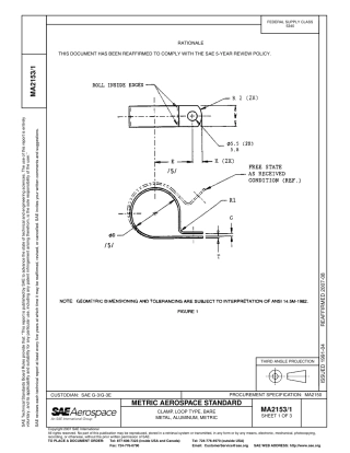
AEROSPACE STANDARD HOSE ASSEMBLY, POLYTETRAFLUOROETHYLENE, PTFE CRES REINFORCED, 232 ⁰C, 10,500 K PA, BEAM SEAL, S...
AEROSPACE STANDARD (R) PORT, INTERNAL, STRAIGHT THREAD, FITTINGCONNECTION, DESIGN STANDARD, METRIC MA2012 Copyr ight...
METRIC AEROSPACE STANDARD SPACER, SLEEVE - FOR 5 MM BOLT, AMS4901 OR AMS4921, METRIC MA3437™Copyright © 2019 SA...
AEROSPACE STANDARD HOSE ASSEMBLY, CONVOLUTED, POLY TETRA FLUOROETHY LENE, METALLIC REINFORCED CONDUCTIVE, FLARELESS, ...
AEROSPACE STANDARDMA2060REV.AIssued1982-11Revised1993-07Reaffirmed 2004-07Superseding MA2060Fittings, Welded, Hydraulic, Tit...
SAE Technical Standards Board Rules provide that: “This report is published by SAE to advance the state of tech...
SAE Technical Standards Board Rules provide that: “This report is published by SAE to advance the state of tech...
__________________________________________________________________________________________________________________________________...
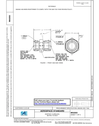
AEROSPACE STANDARD ADAPTER, FLARELESS, METRIC TO INCH MA2052 Copyr ight 2015 SAE Inter national All rights reserv...
__________________________________________________________________________________________________________________________________...
__________________________________________________________________________________________________________________________________...
SAE values your input. To provide feedback on this Technical Report, please visit http://standards.sae.org/MA1370 AE...
METRIC AEROSPACE STANDARD NUT, PLAIN HEX - UNS G87400, CADMIUM PLATE, MJ THREAD, METRIC MA3302Copyright 2014 SAE ...
METR IC A ER OSPA CE STA NDA R D NUT - HEX , PORT FITTING CONNECTOR, A MS5639, MJ THREA D, METRIC MA 2521...
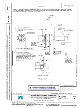
METRIC AEROSPACE STANDARD BOLT, SPLINE DRIVE EXTENDED WASHER HEAD, PD SHANK, LONG THREAD, NICKEL ALLOY (UNS N07001...
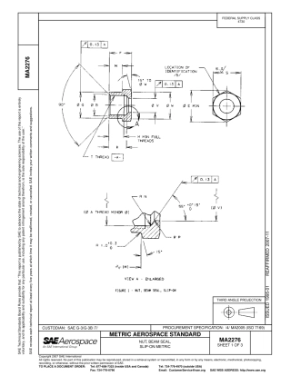
METRIC AEROSPACE STANDARD BOLT, MACHINE, SPLINE DRIVE, SPECIAL EXTENDED WASHER, REDUCED HEAD, PD SHANK, UNS N07718,...
ASME BPVC 2025英文原版合集(共计21个)高清电子版166
ASME BPVC 2025英文原版合集(共计21个)高清电子版1660页
