AEROSPACE STANDARD HOSE ASSEMBLY , POLYTETRAFLUOROETHYLENE, CRES REINFORCED, 204 ⁰C, 21,000 K PA , 60-DEG CONE, T...
AEROSPACE STANDARD (R) FITTING END, WELDED, INTEGRAL OFFSET WELD, LIP, DESIGN STANDARD, METRIC MA2061 Copyr ight 2...
SAE Technical Standards Board Rules provide that: “This report is published by SAE to advance the state of tech...
METRIC AEROSPACE STANDARD NUT, SELF LOCKING - HEX EXTENDED WASHER UNS N07001, SILVER PLATE, MJ THD, METRIC MA4177...
__________________________________________________________________________________________________________________________________...
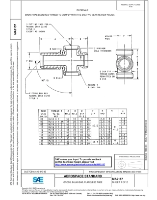
AEROSPACE STANDARD CROSS, BULKHEAD, FLARELESS TUBE MA2157 Copyr ight 2015 SAE Inter national All rights reserv ed....
AEROSPACE STANDARD (R) UNION, BULK HEAD, FLARELESS TUBE, METRIC MA2043 Copyr ight 2015 SAE Inter national All rig...
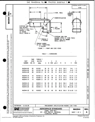
SAE flA*K2044A 91 7943725 O500763 T The Engineering Socleiy =For Advancing Mobliily -La nd Sea Air and Space. IN...
METRIC AEROSPACE STANDARD INSERT - THIN WALL, METRIC SHORT AND LONG HOLE PREPARATION FOR MA4812™ Copyright © 20...
METRIC AEROSPACE STANDARD (R) ADAPTER, ASSEMBLY - PORT CONNECTION RING LOCKED TO 24° FLARELESS TUBE END, METRIC ...
AEROSPACE STANDARD FERRULE, BUTT WELD, THREADLESS COUPLING, FLEXIBLE, FIXED CAVITY , SELF-BONDING, METRIC MA2245 Cop...
METRIC AEROSPACE STANDARD (R) FITTING ASSEMBLY, ADAPTER RING LOCKED PORT CONNECTION TO 8°30' BEAM SEAL 28000 KPA,...
SAE Technical Standards Board Rules provide that: “This report is published by SAE to advance the state of tech...
AEROSPACE STANDARD (R) TUBE END, WELD, DESIGN STANDARD, METRIC MA2063 Copyr ight 2015 SAE Inter national All righ...
AEROSPACE STANDARD (R) ADAPTER, ASSEMBLY - PORT CONNECTION RING LOCKED TO 60 FLARELESS TUBE END, METRIC MA2113™...
METRIC AEROSPACE STANDARD WASHER, KEY - 270° LOCKING, CRES, UNS S32100, METRIC MA4039™ Copyright © 2019 SAE In...
METRIC AEROSPACE STANDARD NUT, PLAIN HEX – UNS S66286, MJ THREAD, METRIC MA3288™ Copyright © 2018 SAE Internat...
AEROSPACE STANDARDMA4510/1Issued1996-11Reaffirmed2007-08Fittings, Weld to 24° Cone Flareless, Fluid Connection, Metric1....
METRIC AEROSPACE STANDARD BOLT, MACHINE - SPLINE DRIVE EXTENDED WASHER, DRILLED HEAD, FULL SHANK, LONG THREAD, NIC...
__________________________________________________________________________________________________________________________________...
ASME BPVC 2025英文原版合集(共计21个)高清电子版166
ASME BPVC 2025英文原版合集(共计21个)高清电子版1660页
